EasyManua.ls Logo

SBC PCD2.M150 - Page 197

Default Icon
288 pages
Print Icon
To Next Page IconTo Next Page
To Next Page IconTo Next Page
To Previous Page IconTo Previous Page
To Previous Page IconTo Previous Page
Loading...
Saia-Burgess Controls AG
Manual Manual PCD 1 / PCD 2 Series │ Document 26 / 737 EN22 │ 2013-11-26
5
Input/output (I/O) modules
5-61
Analogue input modules
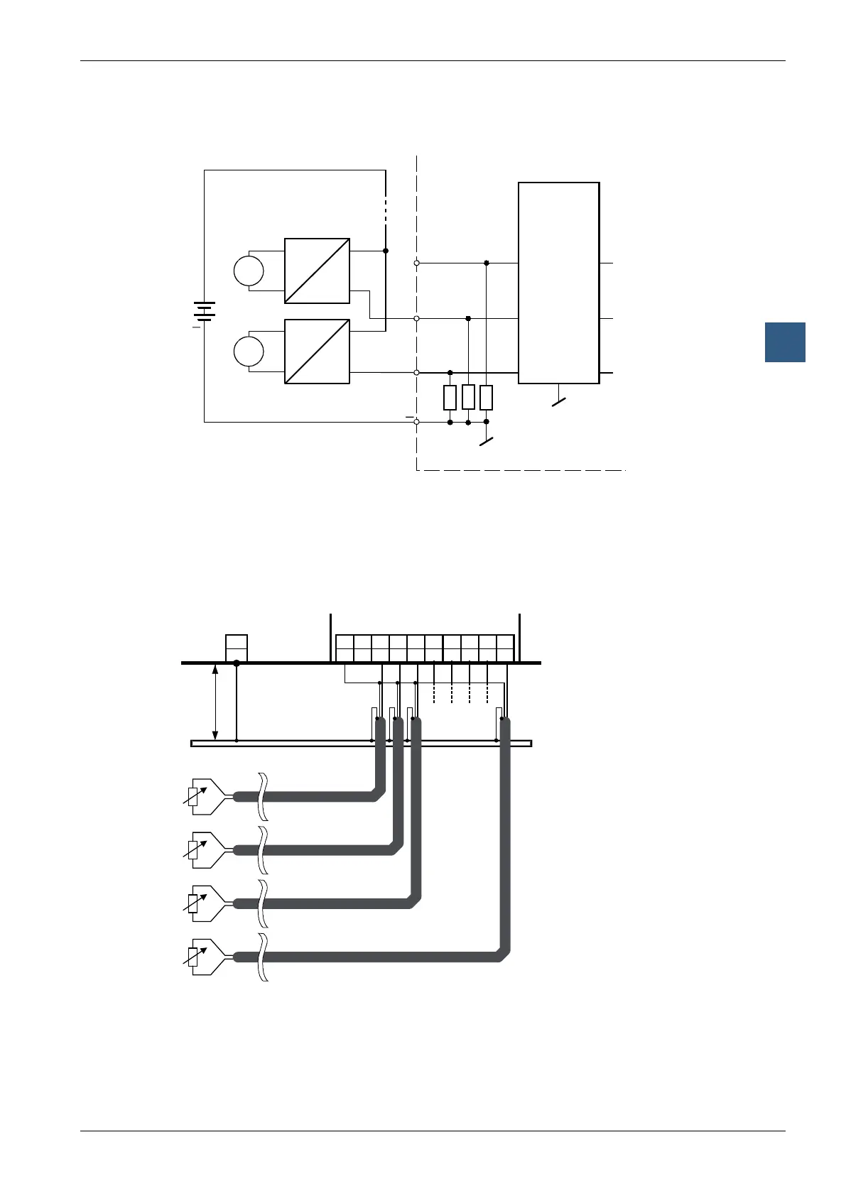
Connection concept PCD2.W210 for two-wire transducers
E1
E0
GND
PCD2.W210
4...20 mA*
0...20 mA
ϑ
υ
24 VDC
Tempera-
ture
Speed
Input filter
+
E2
*4...20 mA over user program
Two-wire transducers (0..20 mA and 4 … 20 mA transmitters) need a 24 VDC supply in
the measuring trunk.
Connection concept PCD3.W220 Pt1000 / Ni1000
Connection concept PCD3.W220Z02 NTC10
-
9 8 7 6 5 4 3 2 1 0
- E7 E6 E5 E4 E3 E2 E1 E0
PGND
PCD2/3.W220
Pt/Ni 1000
Earthing bar
Shield
Resistance
of
measurement
Resistance
of
measurement
Resistance
of
measurement
Resistance
of
measurement
Shield
Shield
Shield
max. 25 cm
min. 2.5 mm2
Power PCD

Table of Contents

Related product manuals