EasyManua.ls Logo

SBC PCD2.M150 - Page 216

Default Icon
288 pages
Print Icon
To Next Page IconTo Next Page
To Next Page IconTo Next Page
To Previous Page IconTo Previous Page
To Previous Page IconTo Previous Page
Loading...
Saia-Burgess Controls AG
Manual Manual PCD 1 / PCD 2 Series │ Document 26 / 737 EN22 │ 2013-11-26
5
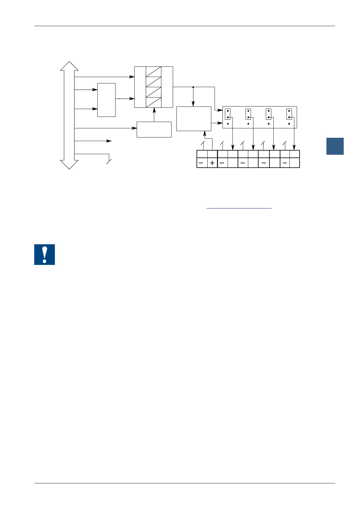
Input/output (I/O) modules
5-80
Analogue output modules
Block diagram
D
A
D
A
D
A
D
A
2
3
V
C
9 8 7 6 5 4 3 2 1 0
A0 A1 A2 A3
V
C
0
1
I/O Bus
PCD Bus
Reference
Voltage
DATA
WRITE
ADDR
JUMPER J2
24 V
DC
VOLTAGE
CONTROLLED
CURRENT
SOURCE
Programming
Classic: Programming examples for the PCD2.W4x0 can be found in a separate
manual and on the TCS Support site (www.sbc-support.com + getting
started).
xx7:   the rmware writes the values according to the conguration (I/O Builder)
Watchdog: This module cannot be used on the base address 240 (or 496 for the
PCD2.M17x), because it would interact with the watchdog, and would cause a
malfunction.
For details, please refer to the “Watchdog” section, which describes the correct use of
the watchdog in conjunction with PCD2 components.

Table of Contents

Related product manuals