EasyManua.ls Logo

SBC PCD2.M150 - Page 83

Default Icon
288 pages
Print Icon
To Next Page IconTo Next Page
To Next Page IconTo Next Page
To Previous Page IconTo Previous Page
To Previous Page IconTo Previous Page
Loading...
Saia-Burgess Controls AG
Manual Manual PCD 1 / PCD 2 Series │ Document 26 / 737 EN22 │ 2013-11-26
CPUs and expansion housings
3-66
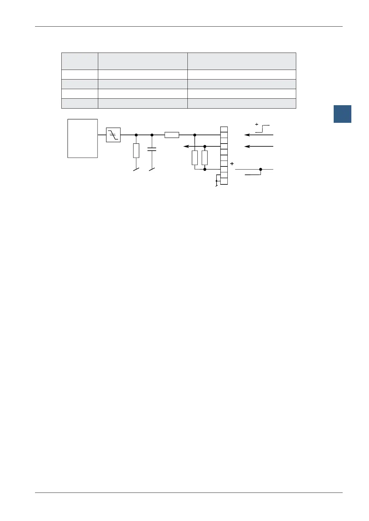
Interruptinputs
3
Interrupt
input
XOB called in case of a
positive edge
Input where the relevant XOB
is not programmed
IN0 XOB 20 I8100
IN1 XOB 21 I8101
IN2 XOB 22 I8102
IN3 XOB 23 I8103
4k7
10k
4k7
IN2
IN1
L
IN3
0
1
2
3
4
5
6
7
8
IN0
9
PGND
PGND
Input signals (source operation):
H = 15.. 30 V
L = -30.. + 5 V or no connected
Input signals (sink operation):
H = 15 .. 30 V or no connected
L = -30.. + 5 V
source operation
(for sink operation
L at +24 V)
3.3 nF
µC
CF 5407
OUT4
OUT5
 OutputsOUT4andOUT5canbeusedas“normal”,short-circuit-prooftransistor
outputs with addresses O 8104 and O 8105, and each loaded up to 0.5 A.
WheretheOUT4/OUT5outputsareused,the+connection(terminal6)musthavea
+24 V supply.

Table of Contents

Related product manuals