EasyManua.ls Logo

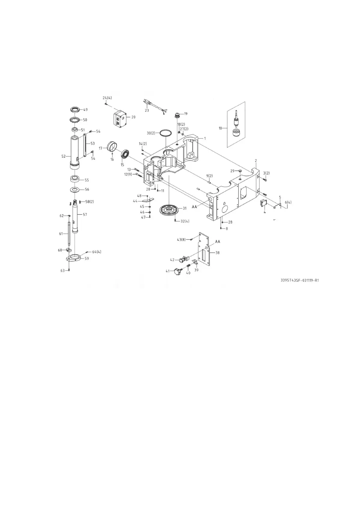
Scantool SB 30 - Drawing of Drill Head for Sb 40 Aut

Scantool SB 30
Print Icon
To Next Page IconTo Next Page
To Next Page IconTo Next Page
To Previous Page IconTo Previous Page
To Previous Page IconTo Previous Page
Loading...
Drawing of drill head for SB 40 AUT
Splittegning af borehoved til 40 AUT

Table of Contents