EasyManua.ls Logo

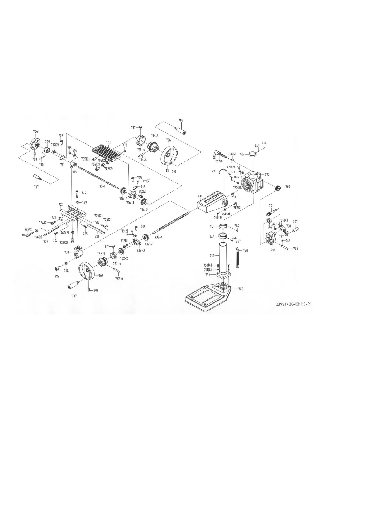
Scantool SB 30 - Drawing of Cross Table and Columm for Sb 30;40 K

Scantool SB 30
Print Icon
To Next Page IconTo Next Page
To Next Page IconTo Next Page
To Previous Page IconTo Previous Page
To Previous Page IconTo Previous Page
Loading...
Drawing of Cross Table and columm for SB 30/40 K
Splittegning af krydsbord + stander til SB 30 og 40 K

Table of Contents