EasyManua.ls Logo

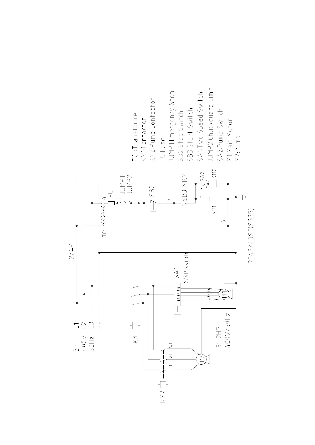
Scantool SB 30 - Circuit Diagram Csb 30;40 (3 X400 V)

Scantool SB 30
Print Icon
To Next Page IconTo Next Page
To Next Page IconTo Next Page
To Previous Page IconTo Previous Page
To Previous Page IconTo Previous Page
Loading...
Circuit diagram SB 30/40 (3X400V)
Koblingsdiagram 3x400V/ Elektrisches Diagramme 3x400V
Dahlander
switch

Table of Contents