EasyManua.ls Logo

Schiller AT-2plus - Page 125

Schiller AT-2plus
126 pages
Print Icon
To Next Page IconTo Next Page
To Next Page IconTo Next Page
To Previous Page IconTo Previous Page
To Previous Page IconTo Previous Page
Loading...
20
Schiller AG
Altgasse 68
CH-6340 Baar
Drawn by: Gau
Entw: TM 20
2483CA
07.02.00Size:
S.
Date: Sheet ofA3
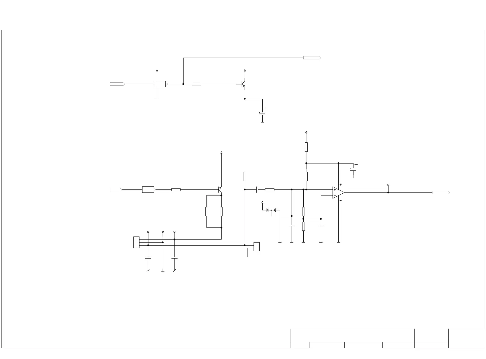
PAPERMARKER MK14-10 (AT-2plus)
PAPERMARK
DETECTOR
PMARK
PMD
MON/
VCC
VCCVCC
VCC
VCC
CAVEGNDCAVE
GND GND GND GNDGND
GND
GND
1
2
3
P2
3*1
TP65
R236
1K
13 12
1
U44F
74HC04
C189
390P
C190
390P
R237
NB/R0805
R238
100R
C231
4N7
D60
BAV99
R272
470R
R273
1K
C232
120P
R275
10K
C191
4N7
R274
1M
Q41
BC847
1 2
147
1
U44A
74HC04
R338
1M
Q44
BC857
R337
10K
C243
10U/16V
1
2
P8
NB/DUBOX-2
GND
R342
1R
C246
1U/16V
MINH/
3
2
1
84
U43A
LMC6762
GND
TP85TP86 TP66

Table of Contents

Other manuals for Schiller AT-2plus

Related product manuals