EasyManua.ls Logo

Schulz SRS 60 - Page 107

Schulz SRS 60
Print Icon
To Next Page IconTo Next Page
To Next Page IconTo Next Page
To Previous Page IconTo Previous Page
To Previous Page IconTo Previous Page
Loading...
107
CONTINUITY
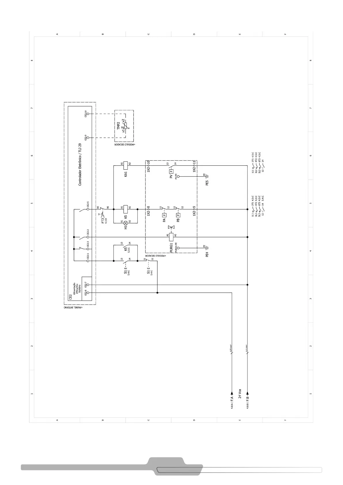
FIGURE 9.10 - ELECTRICAL DIAGRAM 440V SRS 1300
Note: The refrigeration compressor is equipped with protection for overload.

Table of Contents

Related product manuals