EasyManua.ls Logo

Schulz SRS 60 - Page 21

Schulz SRS 60
Print Icon
To Next Page IconTo Next Page
To Next Page IconTo Next Page
To Previous Page IconTo Previous Page
To Previous Page IconTo Previous Page
Loading...
21
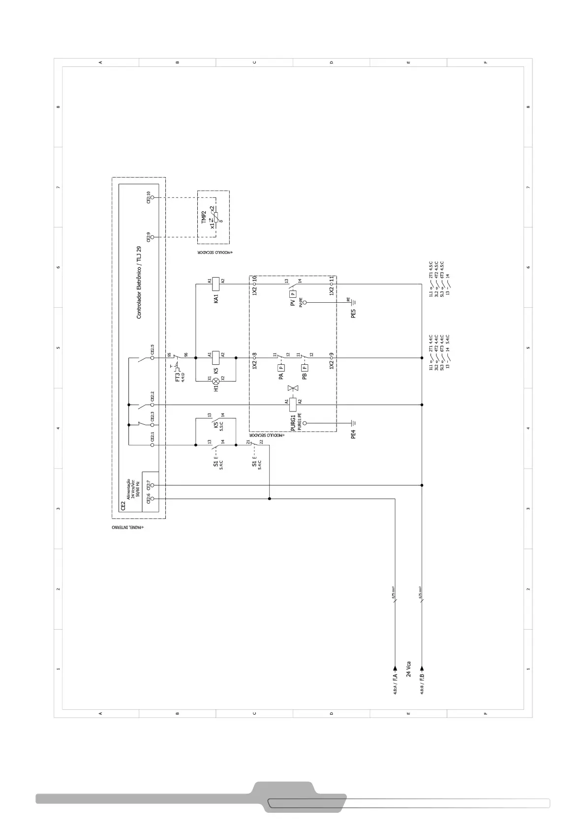
FIGURA 9.9 - DIAGRAMA ELÉTRICO 380V SRS 890/1000
CONTINUAÇÃO
Nota: O compressor de refrigeração é equipado com proteção térmica por sobrecorrente.

Table of Contents

Related product manuals