EasyManua.ls Logo

Schulz SRS 60 - Page 29

Schulz SRS 60
Print Icon
To Next Page IconTo Next Page
To Next Page IconTo Next Page
To Previous Page IconTo Previous Page
To Previous Page IconTo Previous Page
Loading...
29
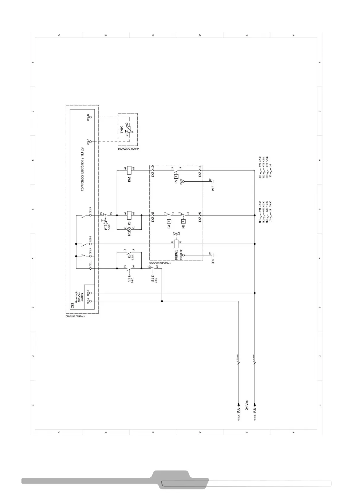
CONTINUAÇÃO
FIGURA 9.8 - DIAGRAMA ELÉTRICO 440V SRS 1300
Nota: O compressor de refrigeração é equipado com proteção térmica por sobrecorrente.

Table of Contents

Related product manuals