EasyManua.ls Logo

Schulz SRS 60 - Page 54

Schulz SRS 60
Print Icon
To Next Page IconTo Next Page
To Next Page IconTo Next Page
To Previous Page IconTo Previous Page
To Previous Page IconTo Previous Page
Loading...
54
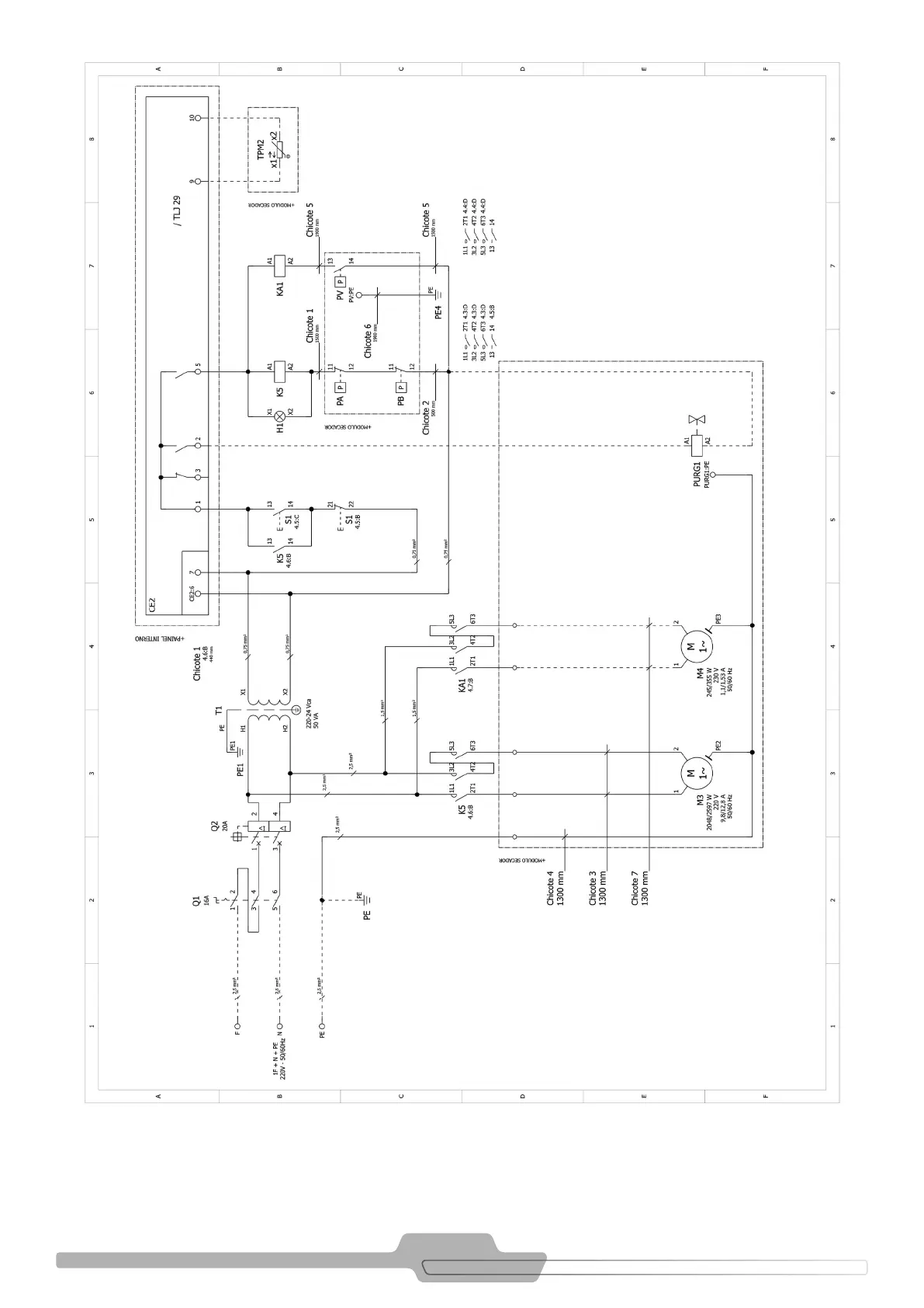
FIGURA 9.5 - DIAGRAMA ELÉCTRICO SRS 280
Nota: El compresor de refrigeración está equipado con protección térmica por sobrecaraga de energía.
Controlador Electronico
Alimentación
24 Vca/Vcc
50/60 Hz

Table of Contents

Related product manuals