EasyManua.ls Logo

Schulz SRS 60 - Page 95

Schulz SRS 60
Print Icon
To Next Page IconTo Next Page
To Next Page IconTo Next Page
To Previous Page IconTo Previous Page
To Previous Page IconTo Previous Page
Loading...
95
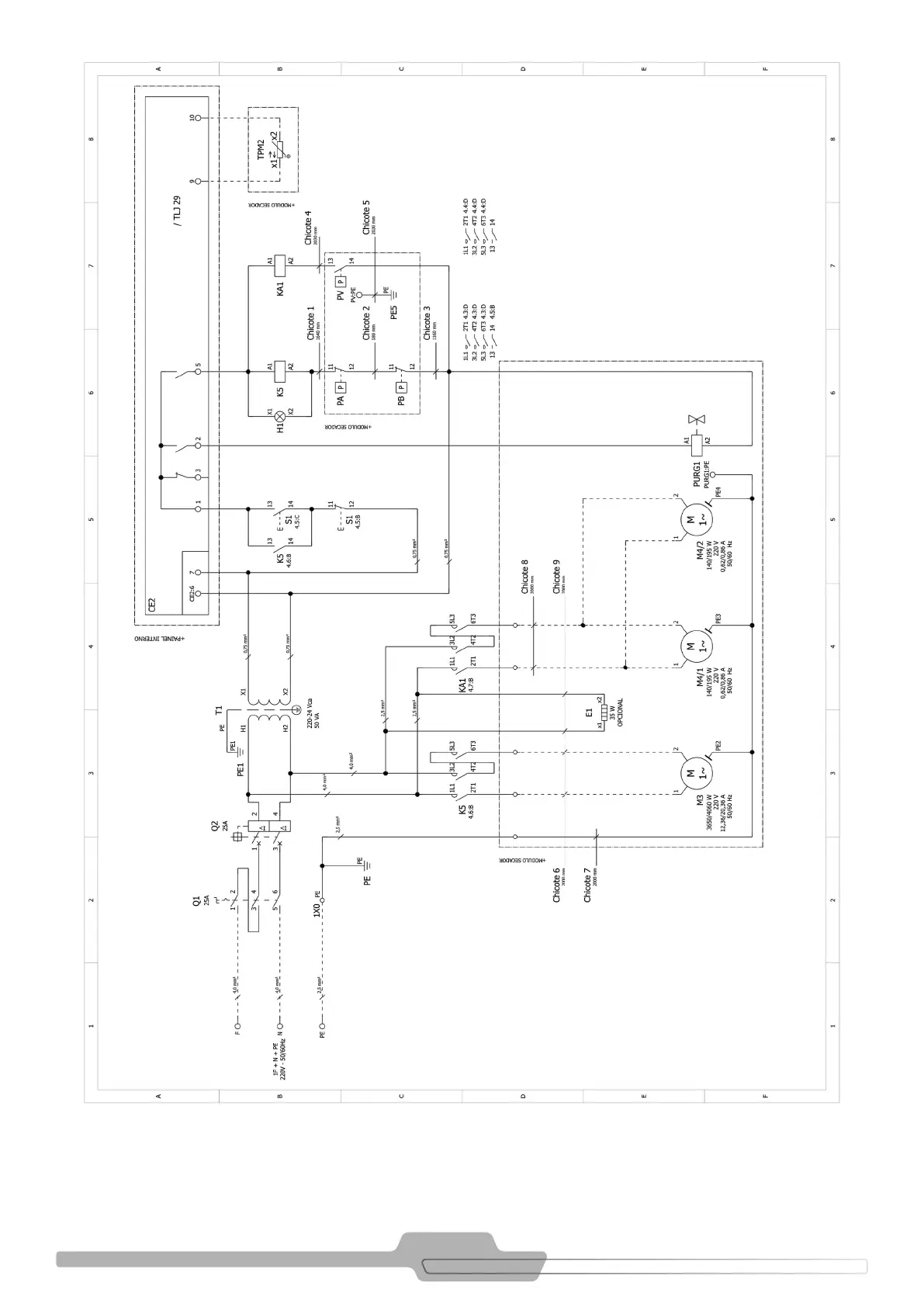
FIGURE 9.7 - ELECTRICAL DIAGRAM SRS 450/600
Note: The refrigeration compressor is equipped with protection for overload.
Electronic Controller
Current
24 Vca/Vcc
50/60 Hz

Table of Contents

Related product manuals