EasyManua.ls Logo

Schulz SRS 60 - Page 99

Schulz SRS 60
Print Icon
To Next Page IconTo Next Page
To Next Page IconTo Next Page
To Previous Page IconTo Previous Page
To Previous Page IconTo Previous Page
Loading...
99
CONTINUITY
Electronic Controller
Current
24 Vca/Vcc
50/60 Hz
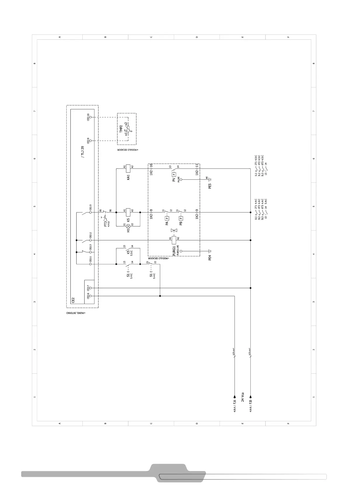
FIGURE 9.9 - ELECTRICAL DIAGRAM 380V SRS 890/1000
Note: The refrigeration compressor is equipped with protection for overload.

Table of Contents

Related product manuals