EasyManua.ls Logo

SCM Cuno 2 Aqua - Refrigerant Drawing (P&I)

SCM Cuno 2 Aqua
138 pages
Print Icon
To Next Page IconTo Next Page
To Next Page IconTo Next Page
To Previous Page IconTo Previous Page
To Previous Page IconTo Previous Page
Loading...
EN
OEM Manual CUBO
2
AQUA
Pag. 38-EN UMT/WG T BT Rev3.0 08/10/2021
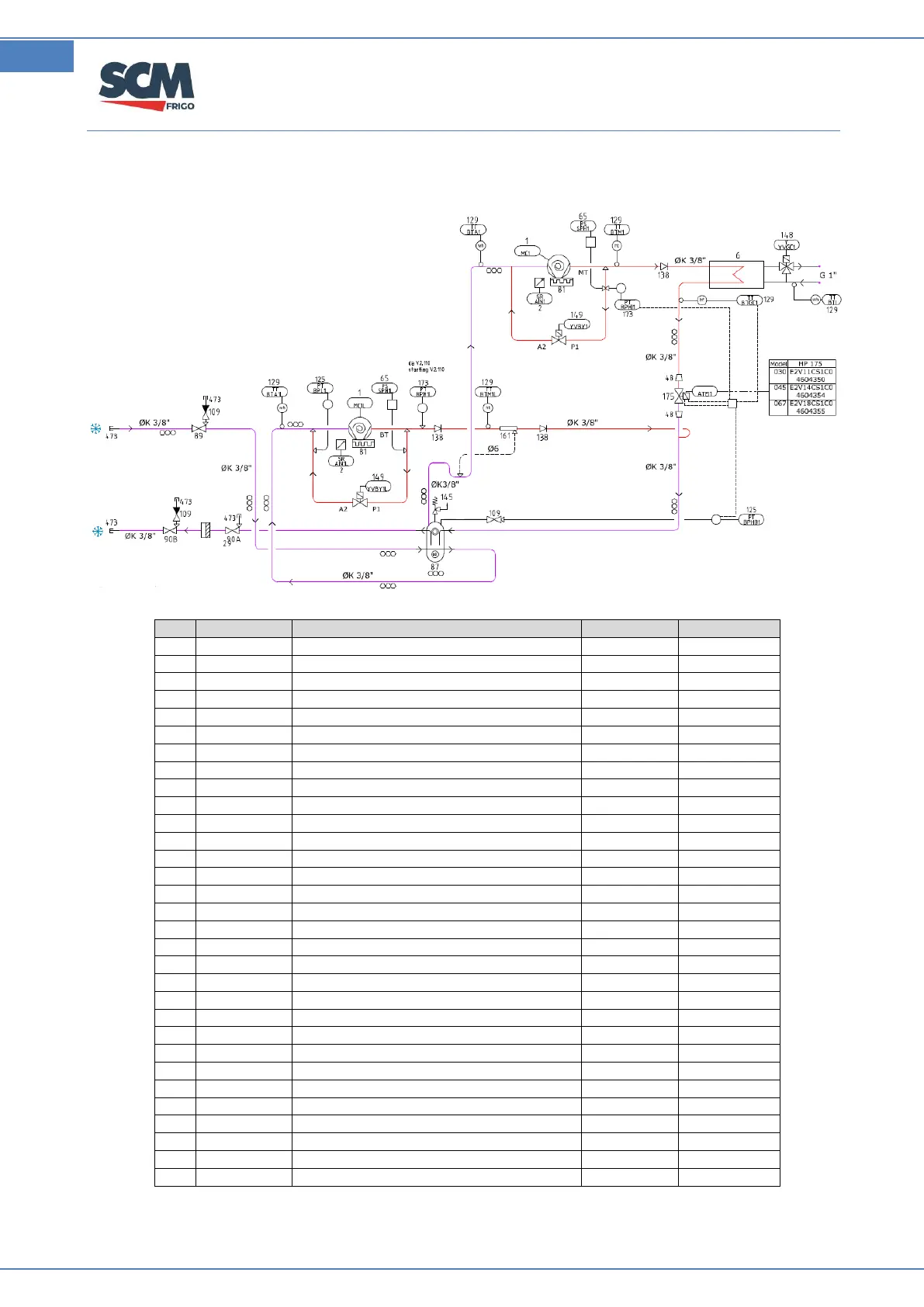
14 Refrigerant drawing (P&I)
Pos.
Ref.
Description
Note 1
Note 2
1
1 (MC1L)
Rotary Compressor LT
2
1 (MC1)
Rotary Compressor Paral.
3
2 (AIN1L)
Inverter LT
4
2 (AIN1)
Inverter Paral.
5
6
Gas Cooler PHE
6
148
3 Way Valve
7
29
Refrigerant filter Dryer
8
65 (SPH1L)
HP safety switch LT
9
65 (SPH1)
HP safety switch Paral.
10
81
Cranckase heating
11
87
Liquid receivers (8L)
12
89
Suction shut-off valve
13
90A
Liquid shut-off valve (upstream 29)
14
90B
Liquid shut-off valve
15
109
Service valve (diff. models)
16
125 (BP1L)
Low pres. transd. LT / Regolation
17
125 (BPHO1)
Low pres. transd. Paral. / Receiver
18
129 (BTA1L)
Comp. Suction temp. probe LT
19
129 (BTAO1)
Comp. Suction temp. probe Paral.
20
129 (BTM1)
Comp. Discharge temp. probe Paral.
21
129 (BTEI)
Water-In temperature probe
22
129 (BTGC1)
GC outlet temp. probe
23
138
Check valve
24
145
Pressure Relief Valve
25
149 (YVBY1L)
By-pass solenoid valve LT
26
149 (YVBY1)
By-pass solenoid valve Paral.
27
161
Oil separator
28
173 (BPHI1)
Discharge pressure transd. Paral
29
173 (BPH1L)
Discharge pressure transd. LT (option)
30
175 (ATEI1)
High Pressure Valve (HPV)
31
473
Service outlet
LT
PARALLEL

Table of Contents

Related product manuals