EasyManua.ls Logo

SCM Cuno 2 Aqua - Zeichnung Kältemittel-Kreislauf (P&I)

SCM Cuno 2 Aqua
138 pages
Print Icon
To Next Page IconTo Next Page
To Next Page IconTo Next Page
To Previous Page IconTo Previous Page
To Previous Page IconTo Previous Page
Loading...
DE
OEM-HANDBUCH CUBO
2
AQUA
Seite 40-DE UMT/WG T BT Rev3.0 08/10/2021
40
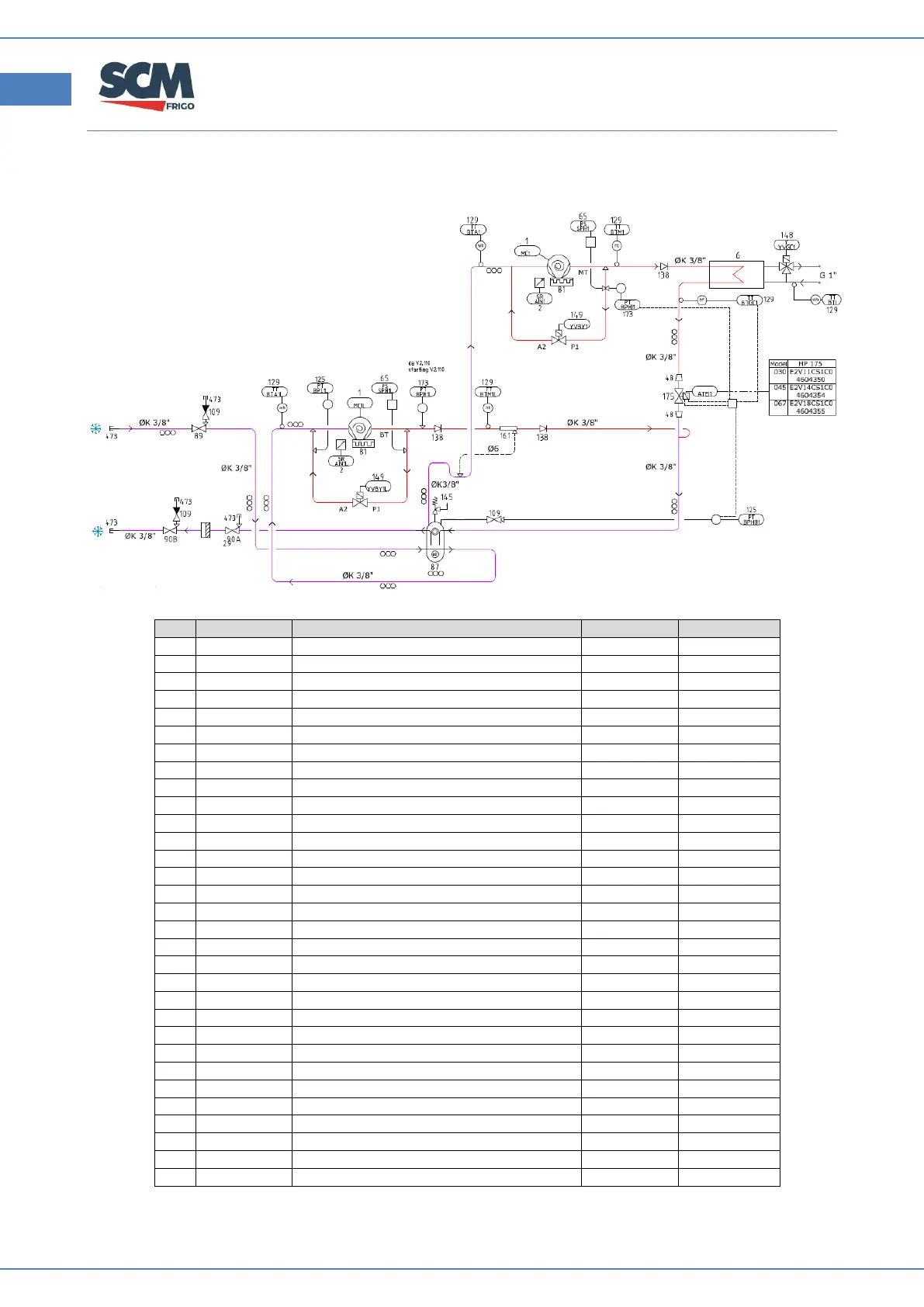
14 Zeichnung Kältemittel-Kreislauf (P&I)
Pos.
Ref.
Beschreibung
Anmerkung 1
Anmerkung 2
1
1 (MC1L)
NT-Rotationskompressor
2
1 (MC1)
Paralleler Rotationskompressor
3
2 (AIN1L)
NT-Inverter
4
2 (AIN1)
Paralleler Inverter
5
6
PHE-Gaskühler
6
148
3-Wege-Ventil
7
29
Trocknerfilter Kältemittel
8
65 (SPH1L)
Hochdruck-Sicherheitsschalter (NT)
9
65 (SPH1)
Hochdruck-Sicherheitsschalter (parallel)
10
81
Heizung Kurbelgehäuse
11
87
Flüssigkeitssammler (8 l)
12
89
Absperrventil Ansaugung
13
90A
Absperrventil Flüssigkeit (vorgeschaltet 29)
14
90B
Absperrventil Flüssigkeit
15
109
Wartungsventil (verschiedene Modelle)
16
125 (BP1L)
Niederdruckwandler NT/Einstellung
17
125 (BPHO1)
Niederdruckwandler Paral. / Sammler
18
129 (BTA1L)
NT Komp. Ansaugtemp. Sonde
19
129 (BTAO1)
parall. Komp. Ansaugtemp. Sonde
20
129 (BTM1)
parall. Komp. Auslasstemp. Sonde
21
129 (BTEI)
Wassereinlauftemperatursonde
22
129 (BTGC1)
GC Auslasstemp. Sonde
23
138
Rückschlagventil
24
145
Auslassventil (PRV)
25
149 (YVBY1L)
Bypass-Magnetventil NT
26
149 (YVBY1)
Bypass-Magnetventil parall.
27
161
Ölabscheider
28
173 (BPHI1)
Wandler Auslassdruck Paral.
29
173 (BPH1L)
Wandler Auslassdruck NT (Option)
30
175 (ATEI1)
Hochdruckventil (HPV)
31
473
Wartungsauslass
LT
PARALLEL

Table of Contents

Related product manuals