EasyManua.ls Logo

Sekonic SR-430 - Page 70

Sekonic SR-430
76 pages
Print Icon
To Next Page IconTo Next Page
To Next Page IconTo Next Page
To Previous Page IconTo Previous Page
To Previous Page IconTo Previous Page
Loading...
-61-
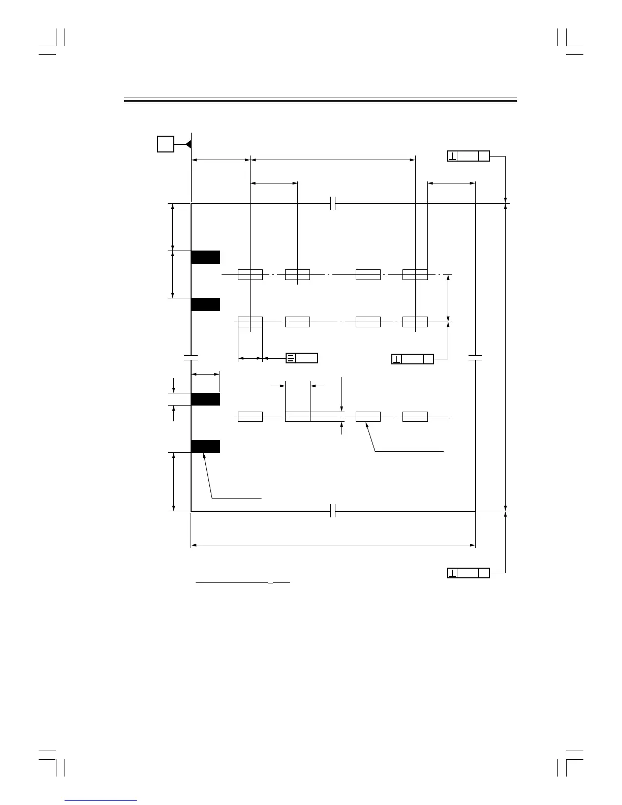
(4) Timing mark-to-mark type
A
0.1 A
0.1
0.2 A
0.2 A
6.35
6.35
6.35×(Line−1)
Tolerancenotaccumulated.
Cardwidth
4.0
min.
Timingmark
Markentrycolumn
9.0
min.
9.0
min.
2.5
min.
2.5
min.
3.5〜4.3
0.8〜1.5
1.0±0.05
Cardlength
3±0.1
General tolerance±0.20
Unit: mm
13.Appendix