EasyManua.ls Logo

Sel SEL-487B - Page 11

Sel SEL-487B
32 pages
Print Icon
To Next Page IconTo Next Page
To Next Page IconTo Next Page
To Previous Page IconTo Previous Page
To Previous Page IconTo Previous Page
Loading...
Schweitzer Engineering Laboratories, Inc. SEL-487B Data Sheet
11
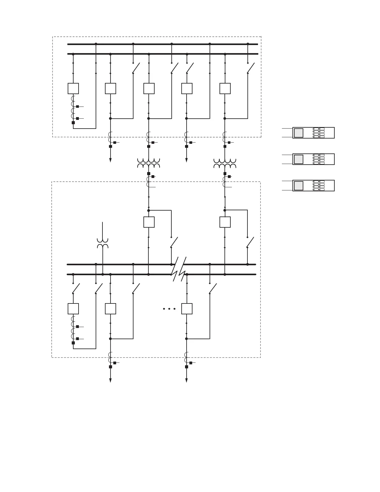
Figure 19 Three SEL-487B Relays Protect Both HV and LV Busbars
Bus 1
Bus 2
52
400/5
400/5
800/5 400/5 800/5
800/5
52 52 52 52
Bus 3
Bus 4
52
400/5
400/5
800/5
4000/5
1600/5
52
52
400/5
52
52
FDR_1
FDR_4
TRFR_1 TRFR_2
FDR_2
FDR_12
FDR_3
3-Phase PT
Check Zone HV
Check Zone LV
HVCTS
LVCTS
HVCTS
LVCTS
HVCTS
LVCTS
SEL-487B
SEL-487B
SEL-487B

Related product manuals