EasyManua.ls Logo

Selco Genesis 90 - Internal Diagnostic Indicators

Selco Genesis 90
47 pages
Print Icon
To Next Page IconTo Next Page
To Next Page IconTo Next Page
To Previous Page IconTo Previous Page
To Previous Page IconTo Previous Page
Loading...
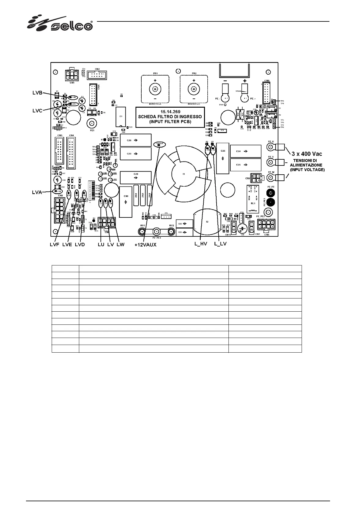
8.2) Internal diagnostic indications
Note: all the above auxiliary power supplies are generated by Auxiliary Power Supply 15.14.271!
Led
LVA
LVB
LVC
LVD
LVE
LVF
+12VAUX
LU
LV
LW
L_HV
L_LV
Meaning
+30Vdc Torch protection and button circuit supply
+24Vdc Power supply (not used)
-24Vdc Power supply (not used)
+26Vdc Main positive auxiliary power supply
+10Vdc µP logic power supply
-20Vdc Main negative auxiliary power supply
+12Vdc Primary Logic power supply
Alarm: phase lack!
Alarm: phase lack!
Alarm: phase lack!
Alarm: overvoltage!
Alarm: undervoltage!
22 Description of diagnostic indications
Status under normal conditions
LIT
LIT
LIT
LIT
LIT
LIT
LIT
OFF
OFF
OFF
OFF
OFF

Related product manuals