EasyManua.ls Logo

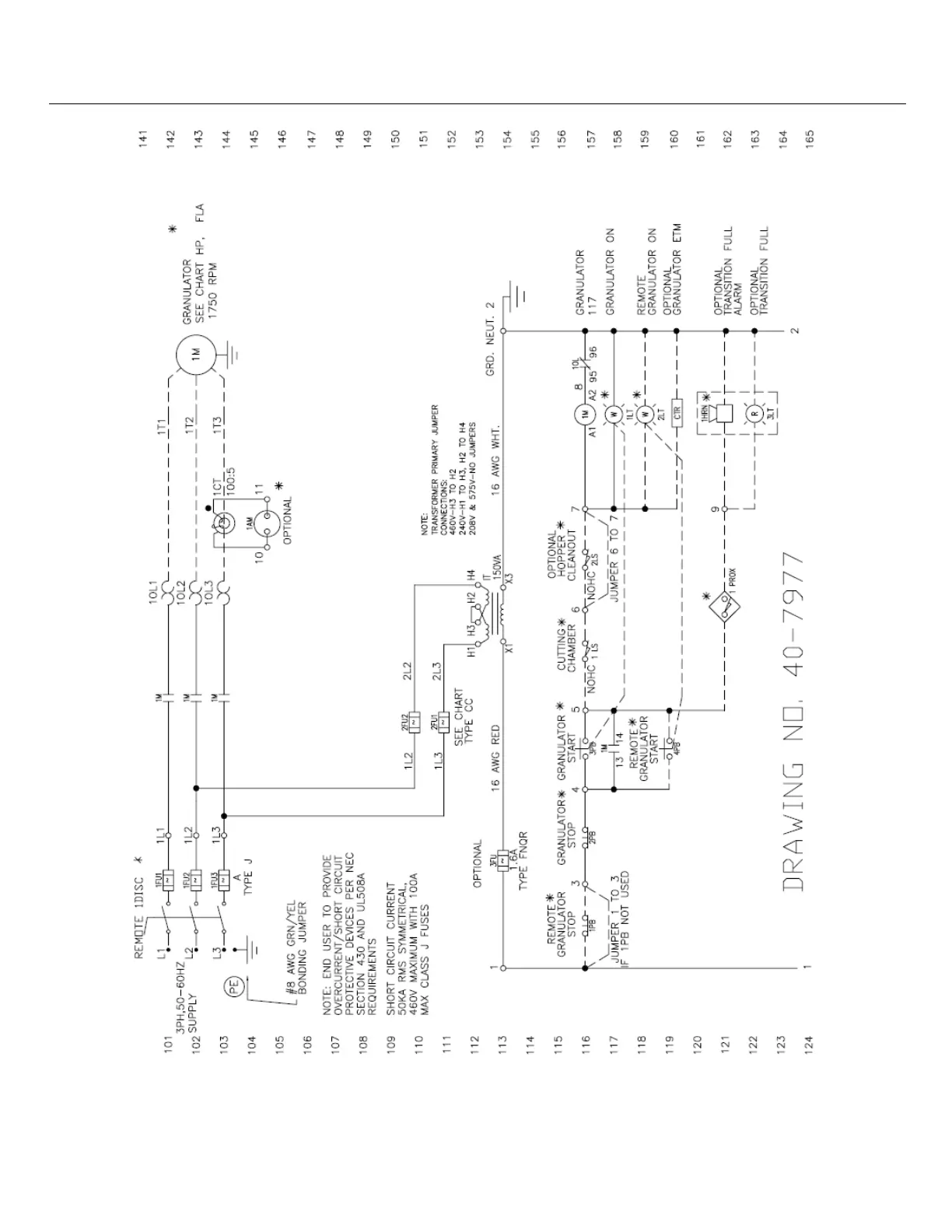
SEM 1012/5 - Disintegrator Starter Electrical Diagram

SEM 1012/5
30 pages
Print Icon
To Next Page IconTo Next Page
To Next Page IconTo Next Page
To Previous Page IconTo Previous Page
To Previous Page IconTo Previous Page
Loading...
508.366.1488 | www.semshred.com
10
4. Disintegrator Starter Diagram

Related product manuals