EasyManua.ls Logo

Sencore CB42 - Page 71

Sencore CB42
104 pages
Print Icon
To Next Page IconTo Next Page
To Next Page IconTo Next Page
To Previous Page IconTo Previous Page
To Previous Page IconTo Previous Page
Loading...
)
p
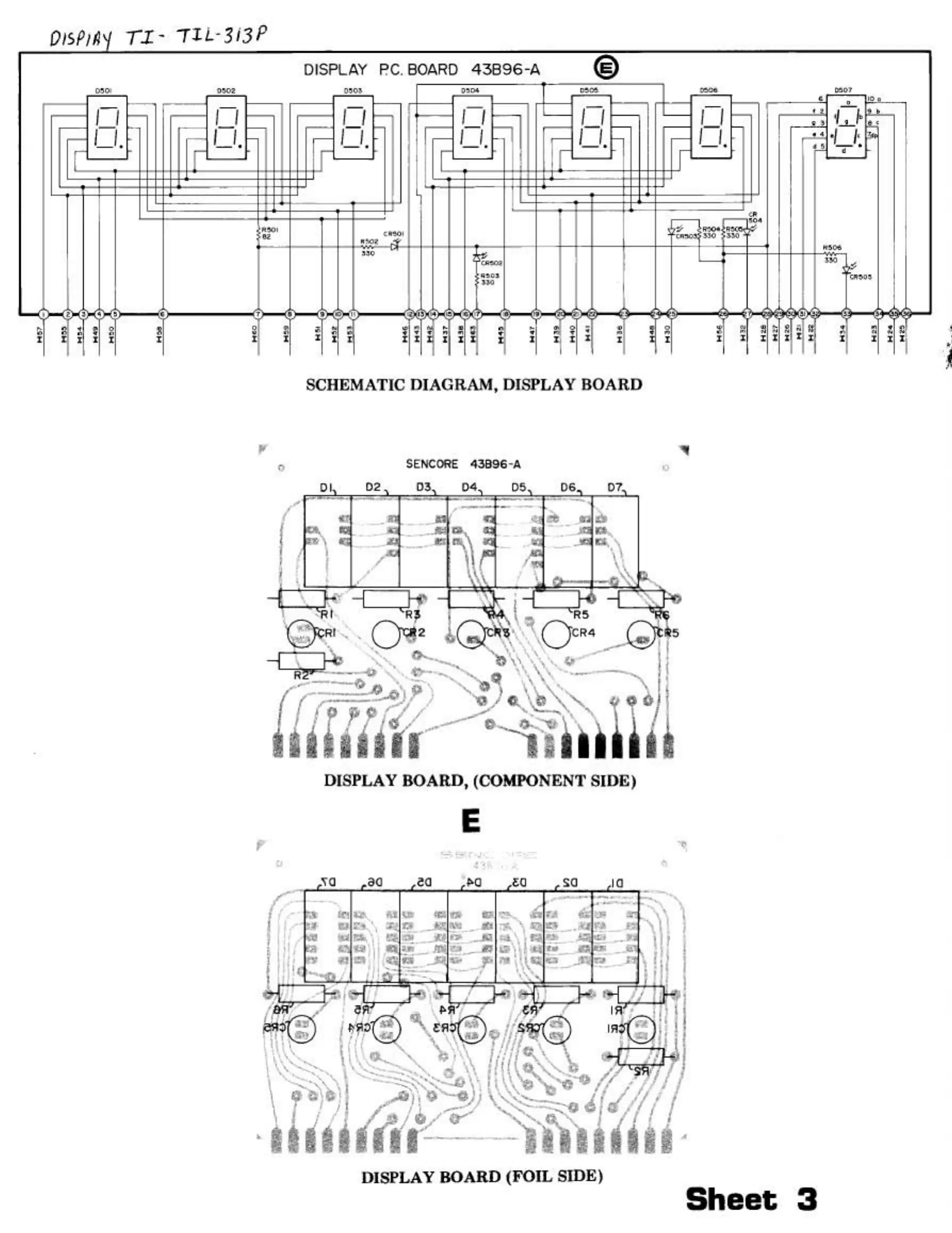
OISPIA,/
rI-
7U-3i3
DISPLAY
p.e.
BOARD
43896-A
@
.,
-
....
,.
-
-
~
-=
I I
-=
I I
l-
I I
r;=
UI-
1:=
UI-
1:=
I I
~-,-
r;::
t.}
.
,
II.
,
I
I.
U
u.
U
I,
I
I.
'i
I
.'
~
W
ffij g
II
\
..
'.
,-
,
-
..
...
'.
-
..
~
,.
..
-
-,
..
,
i
II
'I
,
;j
11
,
,
m
111
...
SCHEMATIC DIAGRAM, DISPLAY BOARD
o
02
O~
~
06 07
OISPLAY BOARD, (COMPONENT SIDE)
E
DISPLAY BOARD
(FOIL
SIDE)
Sheet
3

Related product manuals