EasyManua.ls Logo

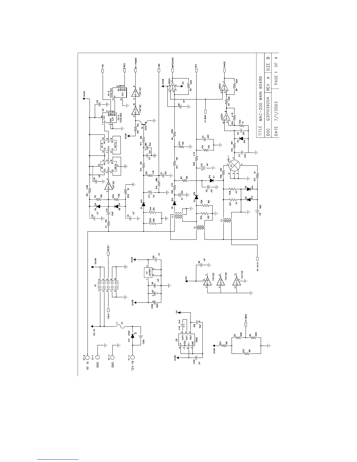
SGC MAC-200 - Schematics

SGC MAC-200
69 pages
Print Icon
To Next Page IconTo Next Page
To Next Page IconTo Next Page
To Previous Page IconTo Previous Page
To Previous Page IconTo Previous Page
Loading...
PO Box 3526, Bellevue, WA. 98009 13737 SE 26
th
St. Bellevue, WA. 98005
Toll Free: 800-259-7331 * Phone: 425-746-6310 * Fax: 425-746-6384
www.sgcworld.com * Email: sgc@sgcworld.com
. 57 © 2003 SGC Inc
5.2 Schematics

Table of Contents