EasyManua.ls Logo

Sharp CD-BA120 - Page 22

Sharp CD-BA120
60 pages
Print Icon
To Next Page IconTo Next Page
To Next Page IconTo Next Page
To Previous Page IconTo Previous Page
To Previous Page IconTo Previous Page
Loading...
CD-BA120/125
– 22 –
A
B
C
D
E
F
G
H
1
23456
12
11
10
9
8
7
6
5
43
2
1
3
2
1
3
2
1
+5V (CD +B)
+5V
+B
+B
+B
+B
+B
+B
+B
+B
+B
M 10V
GND
(A_GND)
A 10V
GND
(A_GND)
VF2
-VP
VF1
POWER
GND (M_GND)
L
R
GND (CD_GND)
GND (D_GND)
TO TUN
UN SW 5V
R OUT
L OUT
GND1
POWER
OUT1
Vcc
GND2
POWER
OUT2
NF2
IN2
PRE-GND
IN1
NF1
CH2
CH1
VOL. PROTECTOR
OVERTHERMAL
CIRCUIT
MUTE
FILTER
RIPPLE
Q
U
V
V
W
a
Y
C
K
L
M
J
O
X
P
T
TO MAIN PWB
P20 1 - C,
P21 10 - H
X
Q903
KTC2026
C935
22/25
C934
0.047
R924
3.3(1/2W)
R922
22K
R923
33
D918
1SS133
R925
22K
C938
47/25
C939
0.1 (ML)
C940
0.1 (ML)
IC902
KIA7810AP
VOLTAGE
REGULATOR
R926
10K
C943
47/25
C944
0.022
(ML)
C945
0.1 (ML)
IC904
KIA7805AP
VOLTAGE REGULATOR
C933
68P
Q9
0
KT
A
R930
220
R929
220
C954
100/35
R928
12K
C955
47/50
C947
3300/25
D9
1
IN4
0
D911
IN4004S
D913
IN4004S
D914
IN40
0
D
R
C946
2200/35
ZD903
DZ6R2ASA
R915
820
Q902
KRC102 M
R914
22K
22
1
1
33
Q901
KRC102 M
C918
220P
R909
56K
C914
470/25
R908
120
R906
1K
R911
270
(1/2W)
R912
4.7
C916
0.047
R910
270
(1/2W)
C909
0.082(ML)
R907
1K
R905
120
C905
0.022
C903
0.001
C908
0.082
(ML)
C904
0.001
C907
100/25
C906
47/25
C910
100/25
C919
10/50
C911
0.022
R913
4.7
C917
0.047
C915
470/25
IC901
LA4282
POWER AMP.
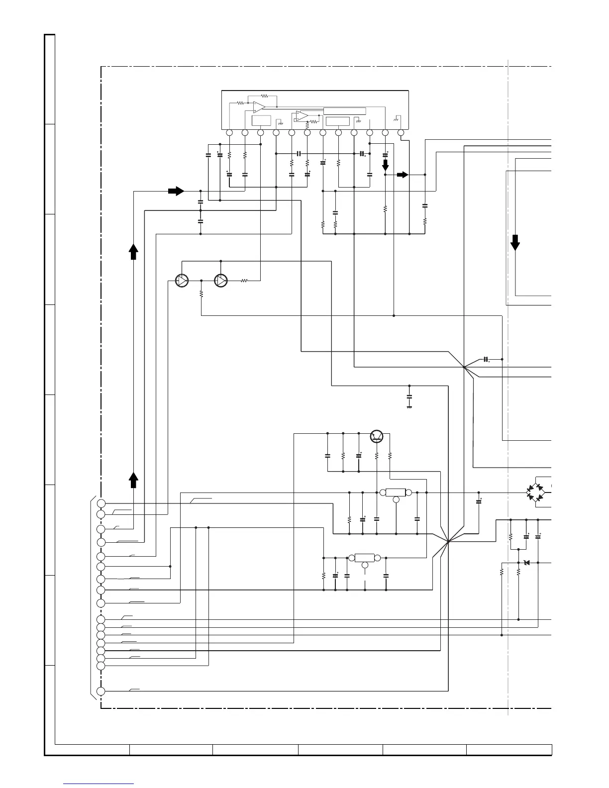
Figure 22 SCHEMATIC DIAGRAM (5/10)
• NOTES ON SCHEMATIC DIAGRAM can be found on page 13.

Other manuals for Sharp CD-BA120

Related product manuals