EasyManua.ls Logo

Sharp CD-ES900 - Page 78

Sharp CD-ES900
96 pages
Print Icon
To Next Page IconTo Next Page
To Next Page IconTo Next Page
To Previous Page IconTo Previous Page
To Previous Page IconTo Previous Page
Loading...
CD-ES900/CD-ES99
8 – 5
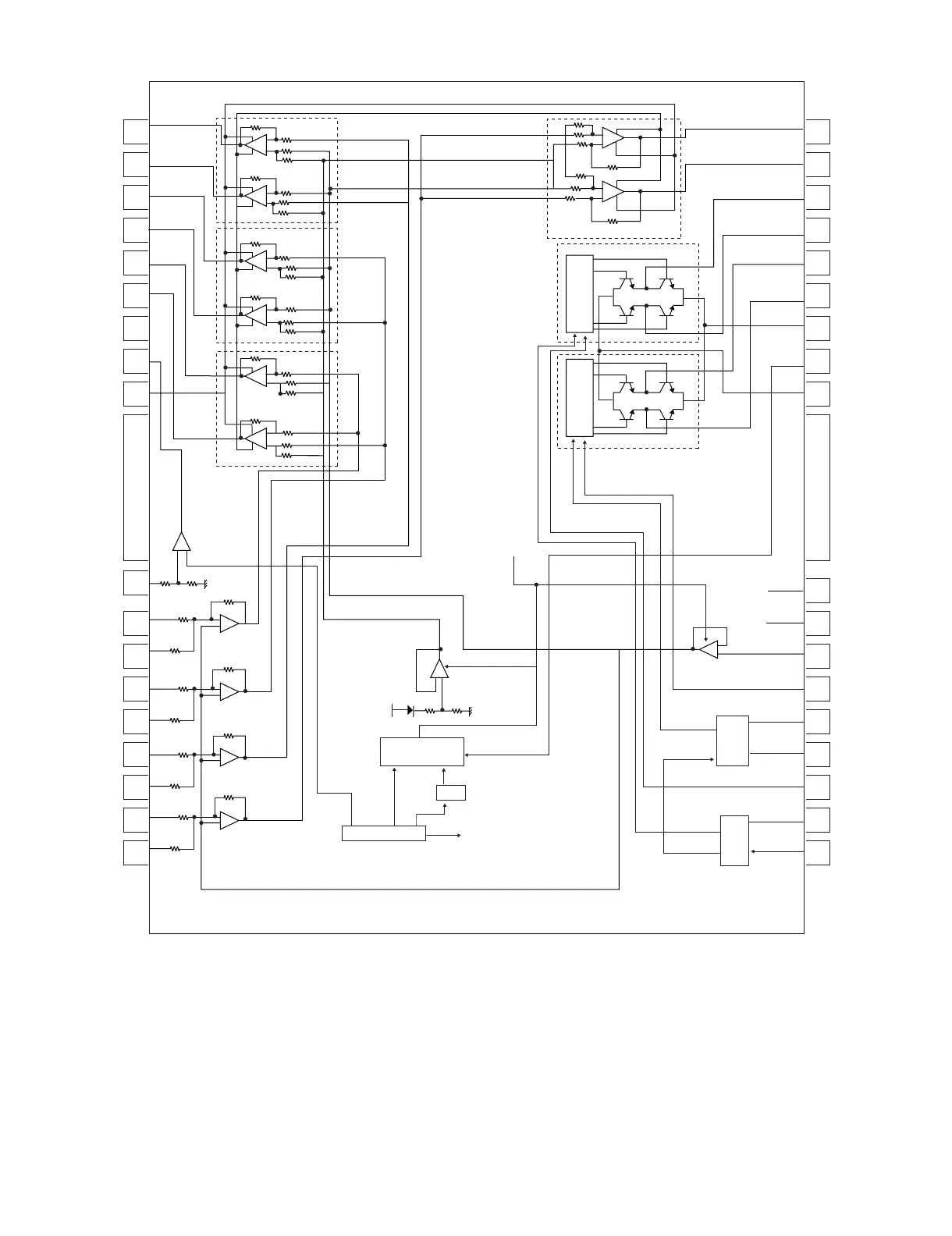
IC2 VHiLA6261//-1: Focus/Tracking/Spin/Sled Driver (LA6261)
1
2
3
4
5
6
7
8
9
10
11
12
13
14
15
16
17
18
36
35
34
33
32
31
30
29
28
27
26
25
24
23
22
21
20
19
+
-
+
-
+
-
+
-
+
-
+
-
+
-
+
-
+
-
+
-
11k
22k
1k
1k
1k
1k
11k
11k
11k
22k
22k
22k
-
+
-
+
Pre DrivePre Drive
+
-
+
-
+
-
Refcronce
voltage
DUFFER AMP
For 1/2 VCC
DUFFER AMP
For VREF
TSD
Bandgad
BTL
Mode
select
Mode
select
CH4
CH5
CH6
CH3
CH2
CH1
VOLTAGE
CONTROL AMP
Figure 8-5 BLOCK DIAGRAM OF IC

Related product manuals