EasyManua.ls Logo

Sharp CD-SW330 - Page 63

Sharp CD-SW330
132 pages
Print Icon
To Next Page IconTo Next Page
To Next Page IconTo Next Page
To Previous Page IconTo Previous Page
To Previous Page IconTo Previous Page
Loading...
CD-SW330
6 – 9
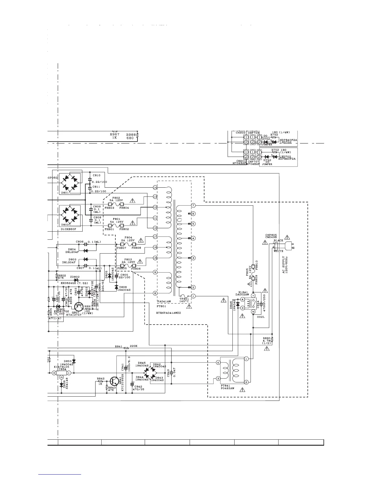
Figure 6-8: POWER SCHEMATIC DIAGRAM (6/6)
13
14 15 16 17 18

Related product manuals