EasyManua.ls Logo

Sharp CD-SW330 - Page 64

Sharp CD-SW330
132 pages
Print Icon
To Next Page IconTo Next Page
To Next Page IconTo Next Page
To Previous Page IconTo Previous Page
To Previous Page IconTo Previous Page
Loading...
CD-SW330
6 – 10
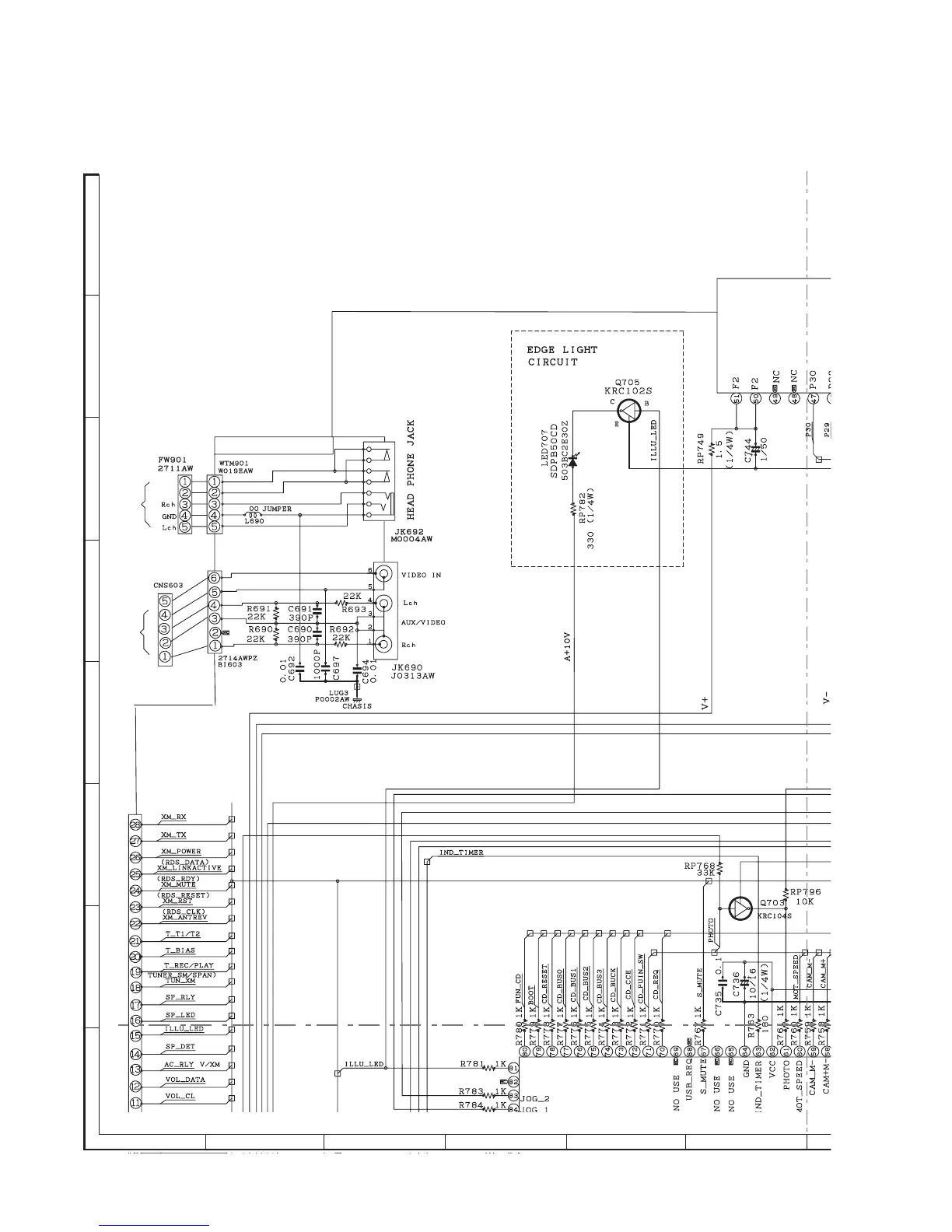
Figure 6-9: DISPLAY SCHEMATIC DIAGRAM (1/6)
GAME INPUT PWB-B2
TO MAIN PWB-A1
TO MAIN PWB-A1
TO MAIN PWB-A1
A
B
C
D
E
F
G
H
1
23456

Related product manuals