EasyManua.ls Logo

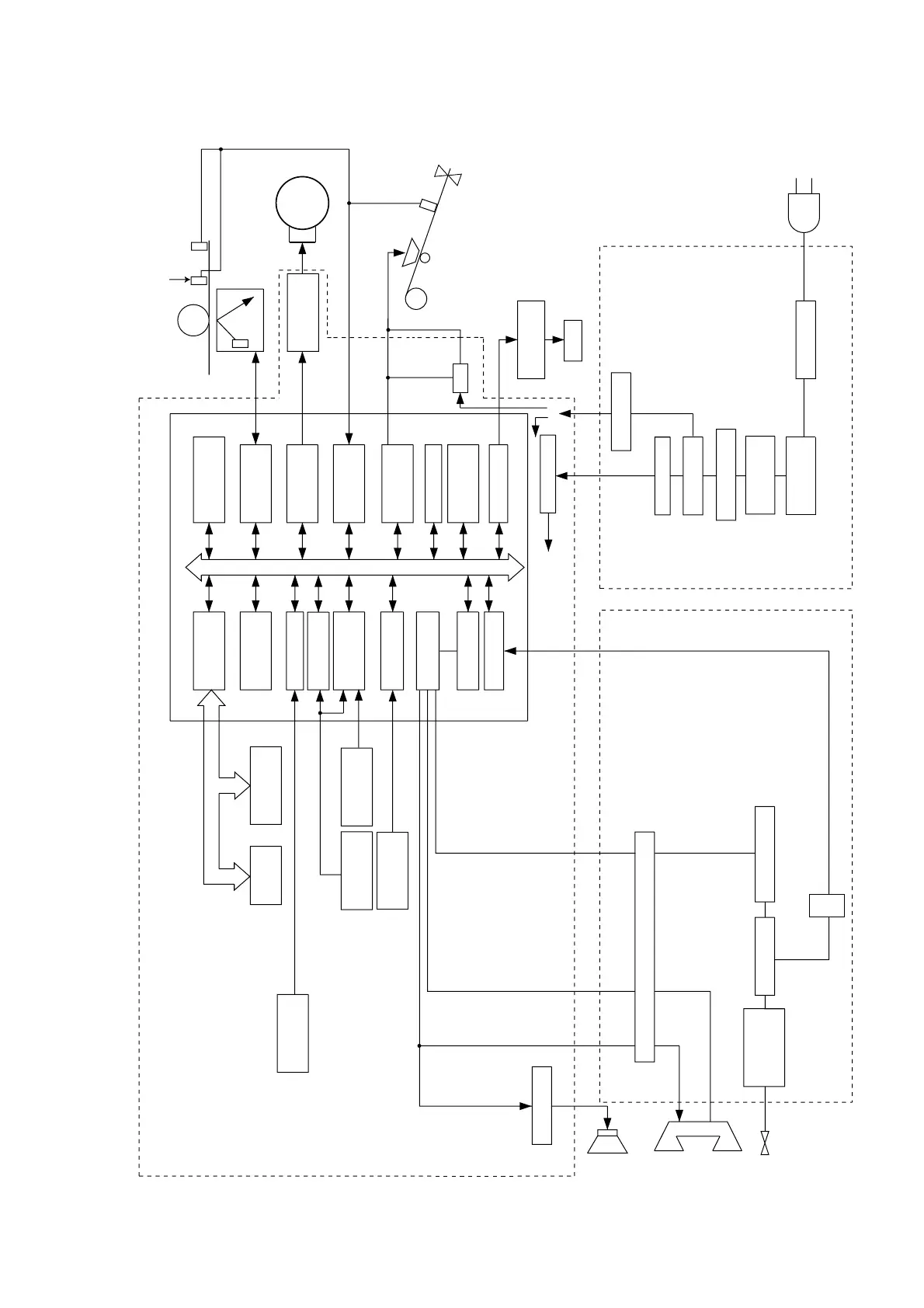
Sharp FO-71 /51/11 - Chapter 7. Operation Flowchart; CHAPTER 4. DIAGRAMS [1] Block Diagram

Sharp FO-71 /51/11
50 pages
Print Icon
To Next Page IconTo Next Page
To Next Page IconTo Next Page
To Previous Page IconTo Previous Page
To Previous Page IconTo Previous Page
Loading...
FO-71TH/UX-61TH/GQ-56TH/FO-51TH
UX-41TH/GQ-31TH/UX-21TH/FO-11TH/GQ-11TH
4 – 1
[1] Block diagram
CHAPTER 4. DIAGRAMS
DRAM
4Mbit
FLASH
2Mbit
CPU I/F
TIMER
RTC
WATCHDOG
TIMER
CLOCK
32.768kHz
INTERRUPT
CONTROLLER
CIS I/F
MOTOR I/F
SENSOR I/F
SIO
THERMAL
HEAD I/F
PANEL I/F
PM
OPERATION
PANEL
CPU
CONTROL PWB UNIT
1CHIP FAX ENGINE (SCE209)
HANDSET
SPEAKER
+24V
OPERATION
PANEL
TEL/LIU
PWB UNIT
DRIVER
MOTOR
CONTACT
IMAGE
SENSOR
DOCUMENT
SENSOR
PIO
POWER SUPPLY
PWB UNIT
AMPLIFIER
DSP
SURGE
PROTECT/
FILTER
CML TRANSFORMER
CI
VBT
STABILIZER
RECTIFIER
TRANSFORMER
RECTIFIER
DIODE
TRANS
SURGE
ABSORBER
FILTER
LINE
CLOCK
32.256MHz
LCD
FET
THERMAL
HEAD
PAPER
SENSOR
FRONT
SENSOR
SIO
S-RAM(32kbit)
IA(CX20438)
CNPRG
AMPLIFIER
REGULATOR
+3.3V
CUTTER
(FO-71/UX-61
GQ-56 ONLY)
+5V
REGULATOR

Related product manuals