EasyManua.ls Logo

Sharp R-231NW - Oven Schenatic

Sharp R-231NW
41 pages
Print Icon
To Next Page IconTo Next Page
To Next Page IconTo Next Page
To Previous Page IconTo Previous Page
To Previous Page IconTo Previous Page
Loading...
R-231NW
6 - 2
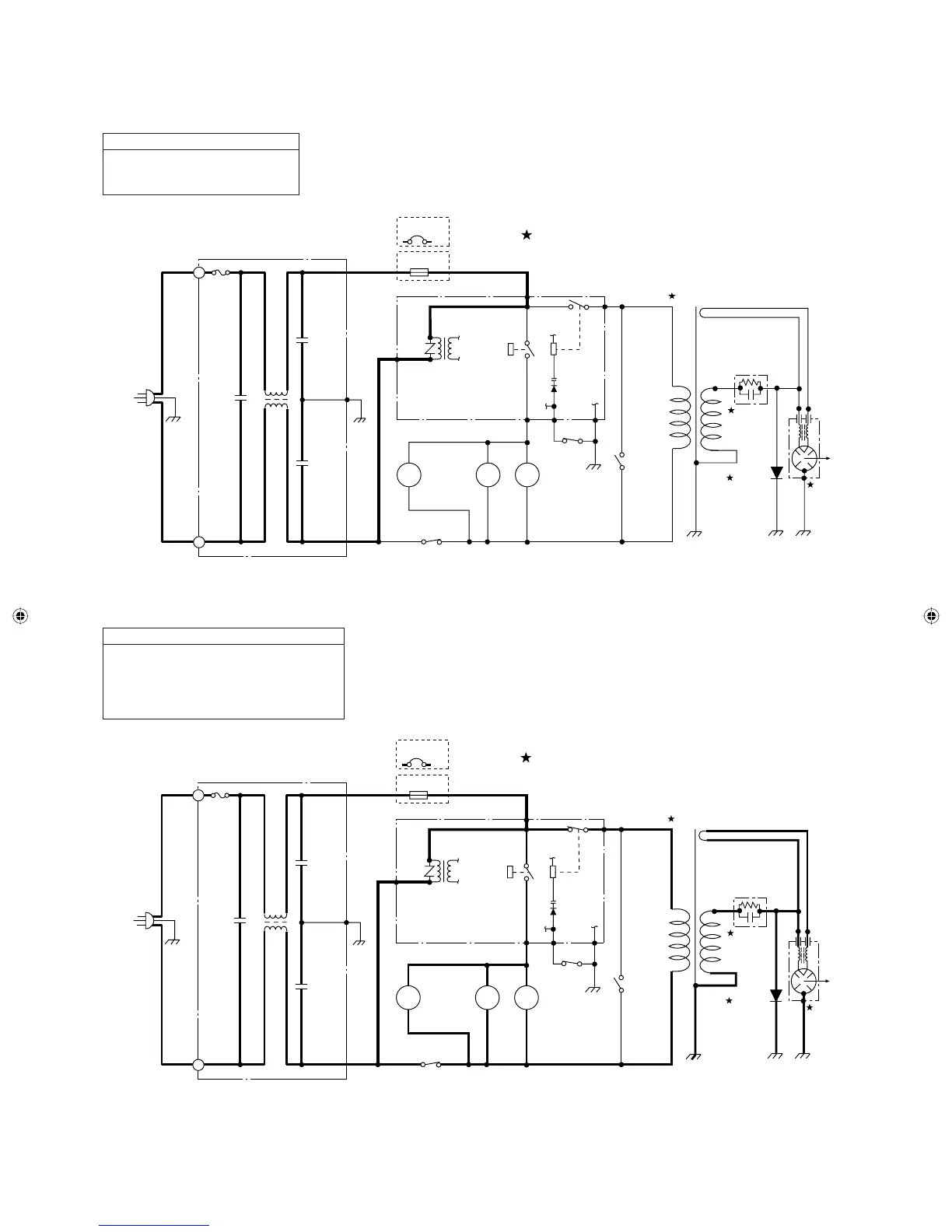
[2] OVEN SCHENATIC
1. Off Condition
Figure O-1. Oven Schematic-Off Condition
2. Cooking Condition
Figure O-2. Oven Schematic-Cooking Condition
SCHEMATIC
NOTE: CONDITION OF OVEN
1. DOOR CLOSED
2. CLOCK APPEARS ON DISPLAY
SCHEMATIC
NOTE: CONDITION OF OVEN
1. DOOR CLOSED.
2. COOKING TIME PROGRAMMED.
3. VARIABLE COOKING CONTROL "P-HI".
4. START PAD TOUCHED.
POWER
TRANSFORMER
RECTIFIER
MAGNETRON
CAPACITOR
0.82µF
AC2100V
or
AC1900V
OVEN
LAMP
TURN-
TABLE
MOTOR
FAN
MOTOR
MONITOR
SWITCH
SECONDARY
INTERLOCK
SWITCH
TTM
OL FM
A3
COM.
DOOR
SENSING
SWITCH
B2 B1
(RY-1)
(RY-2)
CONTROL UNIT
PRIMARY
INTERLOCK
RELAY
A1
N.O.
TEMPERATURE
FUSE (OVEN)
THERMAL
CUT-OUT (OVEN)
120V AC
60 Hz
GRN
FUSE
15A
LIOCNOISSERPPUSESION
ROT
I
CAPACSSORCEN
I
L
V052
C
A/Fµ
2
2.0
S
S
A
PY
B
E
N
IL
ROTICAPAC
V052CA/Fµ3300.0
S
S
A
P
YBENI
L
ROTICA
PAC
V052CA/Fµ3300.0
L
N
R
E
T
LI
F
ESION
or
NOTE: " " indicates components with potentials above 250V
POWER
TRANSFORMER
RECTIFIER
MAGNETRON
CAPACITOR
0.82µF
AC2100V
or
AC1900V
OVEN
LAMP
TURN-
TABLE
MOTOR
FAN
MOTOR
MONITOR
SWITCH
SECONDARY
INTERLOCK
SWITCH
TTM
OL FM
A3
COM.
DOOR
SENSING
SWITCH
B2 B1
(RY-1)
(RY-2)
CONTROL UNIT
PRIMARY
INTERLOCK
RELAY
A1
N.O.
TEMPERATURE
FUSE (OVEN)
THERMAL
CUT-OUT (OVEN)
120V AC
60 Hz
GRN
FUSE
15A
LIO
C
N
O
I
S
SER
P
PUSE
S
IO
N
R
OTIC
A
PACS
S
ORCEN
I
L
V
0
5
2C
A
/
F
µ
22.
0
S
SAPY
B
E
NIL
R
O
TI
C
APA
C
V0
5
2
CA
/Fµ33
0
0
.0
SSAPYBENIL
R
OT
I
C
A
P
AC
V
0
5
2
CA
/
Fµ
3
3
0
0.
0
LN
R
E
T
L
IFESION
or
NOTE: " " indicates components with potentials above 250V
Service_R-231NW.indd 11Service_R-231NW.indd 11 6/24/09 3:56:42 PM6/24/09 3:56:42 PM

Table of Contents

Related product manuals