EasyManua.ls Logo

Sharp RP-30H - Page 8

Sharp RP-30H
14 pages
Print Icon
To Next Page IconTo Next Page
To Next Page IconTo Next Page
To Previous Page IconTo Previous Page
To Previous Page IconTo Previous Page
Loading...
CS
1
0.1
RI7
390
!-f-
I
I
R27
TIA
I
OTOR
OIL
~
202
Ql.CI2.03.05
2SC945
1
1
Rl
l*K
F.G
COIL
OR UPC4558
R-W
a-
Y!YIt
L-CH
I.
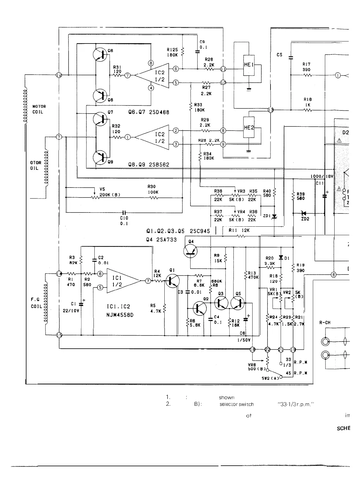
SW1
:
Main switch
shown
in otfposition
2. SW2 (A,
B):
Speed
selector
swiTch
shown in
33-l/3
r.p.m.
position,
(Specifications or wiring diagrams
ot
this rnodel are subject to change for the
ifi
Figure 8
SCHE
9
--

Related product manuals