EasyManua.ls Logo

Sharp RP-30H - Page 9

Sharp RP-30H
14 pages
Print Icon
To Next Page IconTo Next Page
To Next Page IconTo Next Page
To Previous Page IconTo Previous Page
To Previous Page IconTo Previous Page
Loading...
ZDl.ZD2
33
l/3
YZO61
I
Q
DI
IS1210
.R.
I
LED2
LED4
ry
ry
P
I
n
L-CH
losition.
x
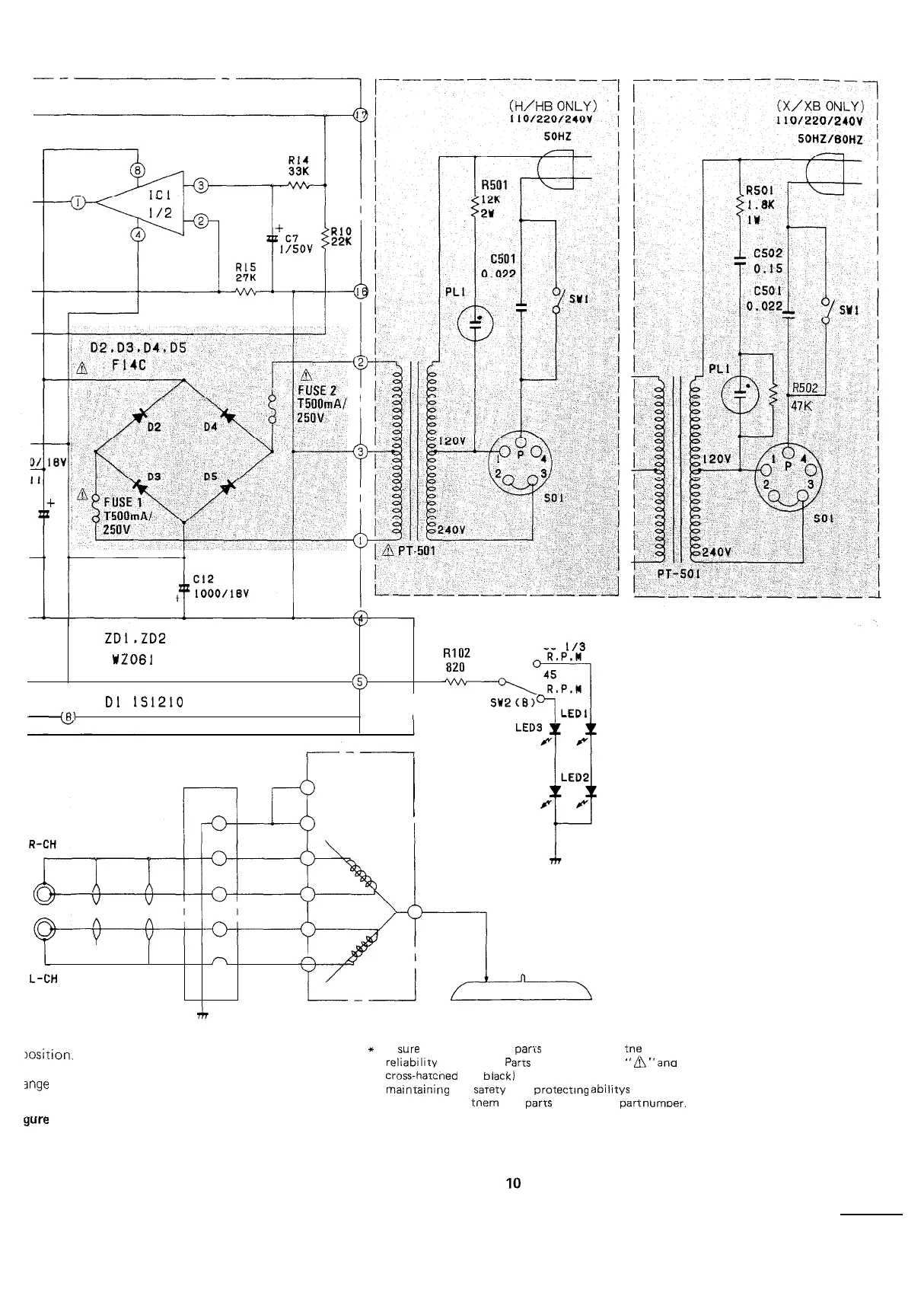
Be sure to use regular
paris
for securing
tne
safety and
reliablllty
ot tne set.
Parrs
markeaswirch
m
ana parts
jnge
for the improvement without prior notice.)
gure
8 SCHEMATIC DIAGRAM
cross-hatcned (in black) are especially important for
mainraining
the sarety and
protecting
abilitys
of the set. Be
sure to replace
tnem
with parrs of specified
part
numoer.
IO

Related product manuals