EasyManua.ls Logo

Sharp SJ-XF50X-T - Page 42

Sharp SJ-XF50X-T
72 pages
Print Icon
To Next Page IconTo Next Page
To Next Page IconTo Next Page
To Previous Page IconTo Previous Page
To Previous Page IconTo Previous Page
Loading...
SJXF50XT
42
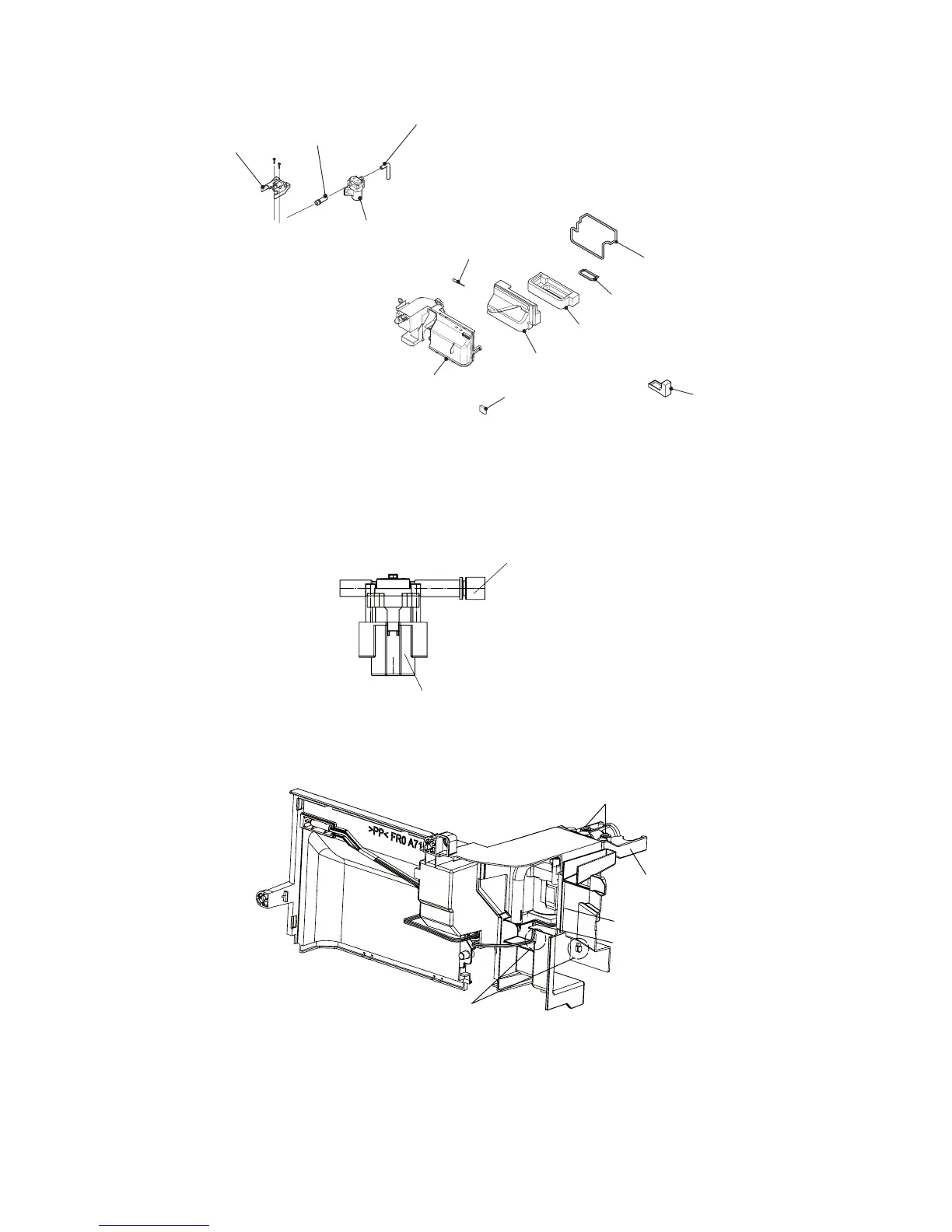
RC box ass’y3)
<Components>
Joint packing
Gear pump
R-C box
Pump cushion
R-thermistor
R-C box insu.B
A-sealer RCBOX A
A-sealer RCBOX B
R-C box insu.A
Damper
Packing holder
Joint pipe
<Assembling procedure>
Insert the joint packing in the gear pump.1.
Insert the packing securely to the innermost position.
Joint packing
Gear pump
Mount the assembly of Step 1 to the R-C box.2.
Packing holder
Screw
Groove of R-C b
o
Hinge
En
g
a
g
e the hook.

Related product manuals