EasyManua.ls Logo

Sharp XL-DK225 - CHAPTER 4 Main Block Diagram

Sharp XL-DK225
75 pages
Print Icon
To Next Page IconTo Next Page
To Next Page IconTo Next Page
To Previous Page IconTo Previous Page
To Previous Page IconTo Previous Page
Loading...
XL-DK225
4 – 1
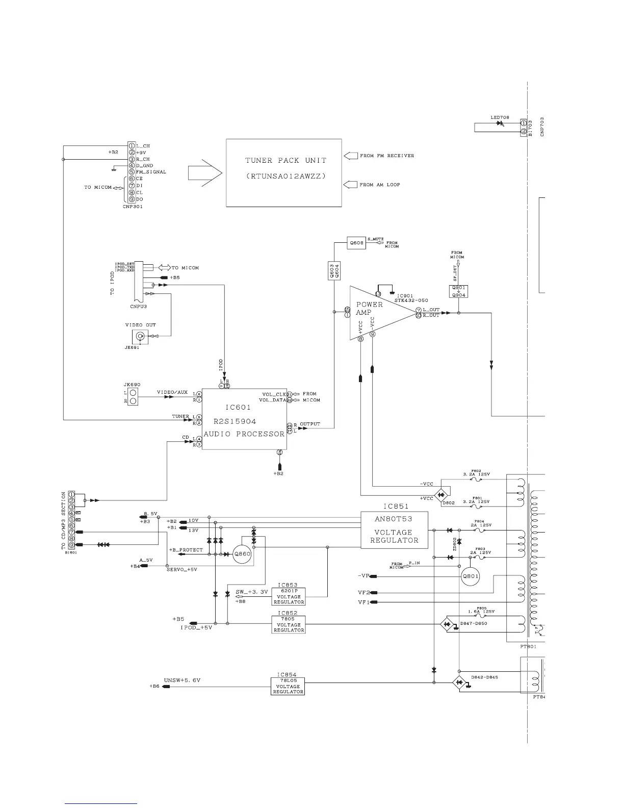
CHAPTER 4. DIAGRAMS
[1] Main Block Diagram
Figure 4-1: MAIN BLOCK DIAGRAM (1/2)

Table of Contents

Related product manuals