EasyManua.ls Logo

Sharp XL-DK225 - Schematic Diagrams

Sharp XL-DK225
75 pages
Print Icon
To Next Page IconTo Next Page
To Next Page IconTo Next Page
To Previous Page IconTo Previous Page
To Previous Page IconTo Previous Page
Loading...
XL-DK225
6 – 2
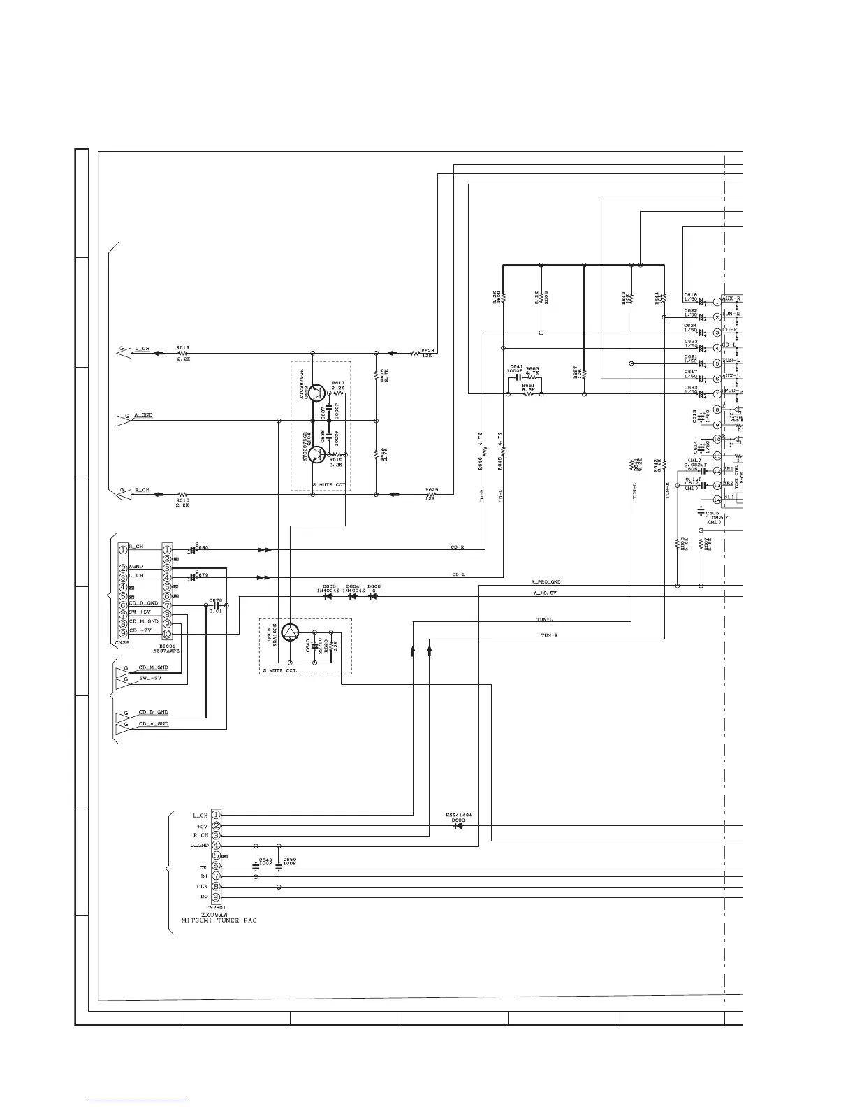
[3] Schematic Diagram
Figure 6-1: MAIN SCHEMATIC DIAGRAM (1/2)
TO POWER IC SECTION
TO CD
FROM POWER SECTION
TUNER SECTION
A
B
C
D
E
F
G
H
1
23456

Table of Contents

Related product manuals