EasyManua.ls Logo

Sharp XL-DK225 - Display Schematic Diagram

Sharp XL-DK225
75 pages
Print Icon
To Next Page IconTo Next Page
To Next Page IconTo Next Page
To Previous Page IconTo Previous Page
To Previous Page IconTo Previous Page
Loading...
XL-DK225
6 – 6
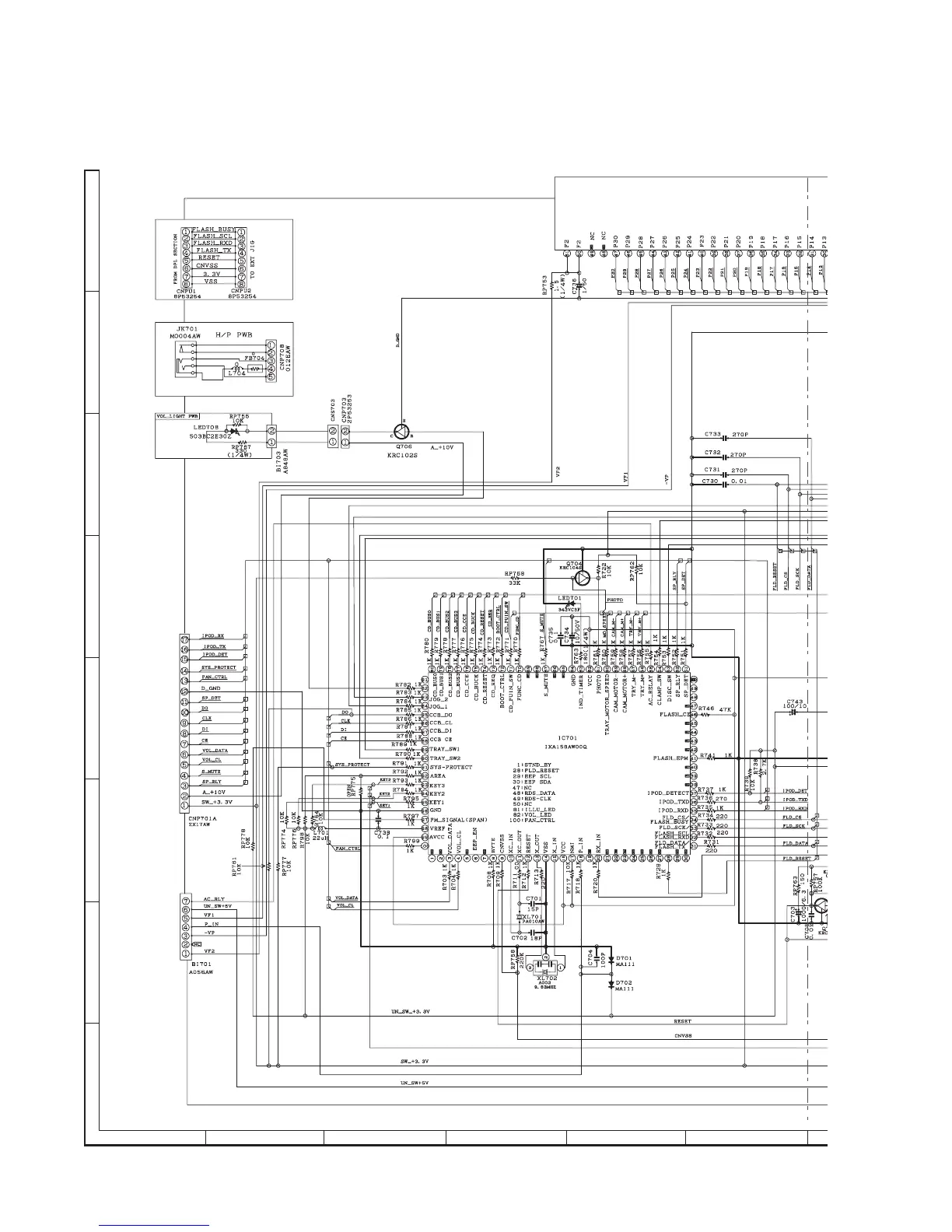
Figure 6-5: DISPLAY SCHEMATIC DIAGRAM (1/2)
TO MAIN SECTION
TO PWR SECTION
SYSTEM MICOM REFLASH PWB
TO MAIN SECTION
A
B
C
D
E
F
G
H
1
23456

Table of Contents

Related product manuals