EasyManua.ls Logo

Sharp XL-DK225 - Page 29

Sharp XL-DK225
75 pages
Print Icon
To Next Page IconTo Next Page
To Next Page IconTo Next Page
To Previous Page IconTo Previous Page
To Previous Page IconTo Previous Page
Loading...
XL-DK225
6 – 7
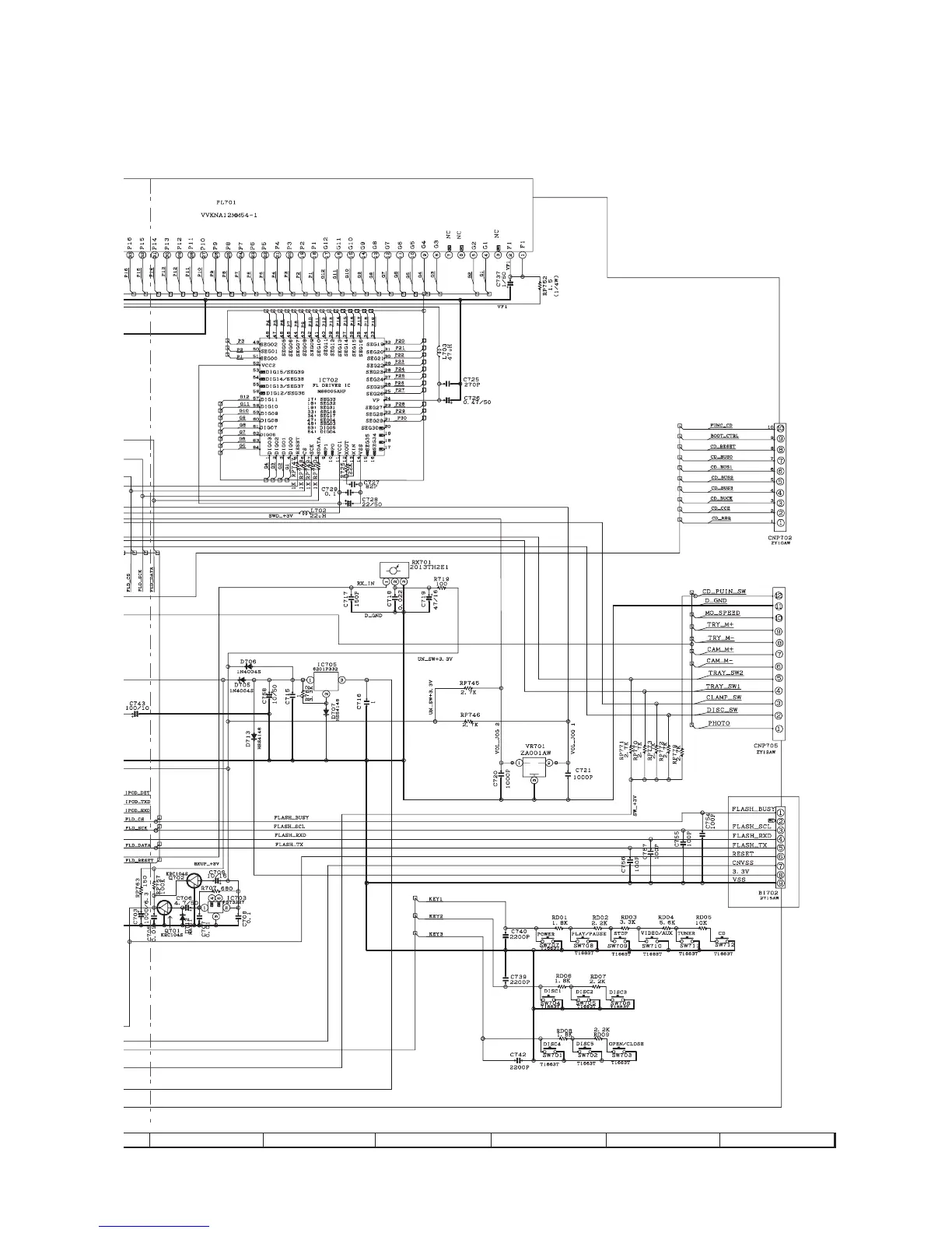
Figure 6-6: DISPLAY SCHEMATIC DIAGRAM (2/2)
TO MP3 SERVO
TO MP3 SERVO
FOR MICOM REFLASH ONLY
7
8 9 10 11 12

Table of Contents

Related product manuals