EasyManua.ls Logo

Shibaura CM214 - IQS System; Summary; Circuit Diagram; Inspection of each Parts

Shibaura CM214
124 pages
Print Icon
To Next Page IconTo Next Page
To Next Page IconTo Next Page
To Previous Page IconTo Previous Page
To Previous Page IconTo Previous Page
Loading...
55
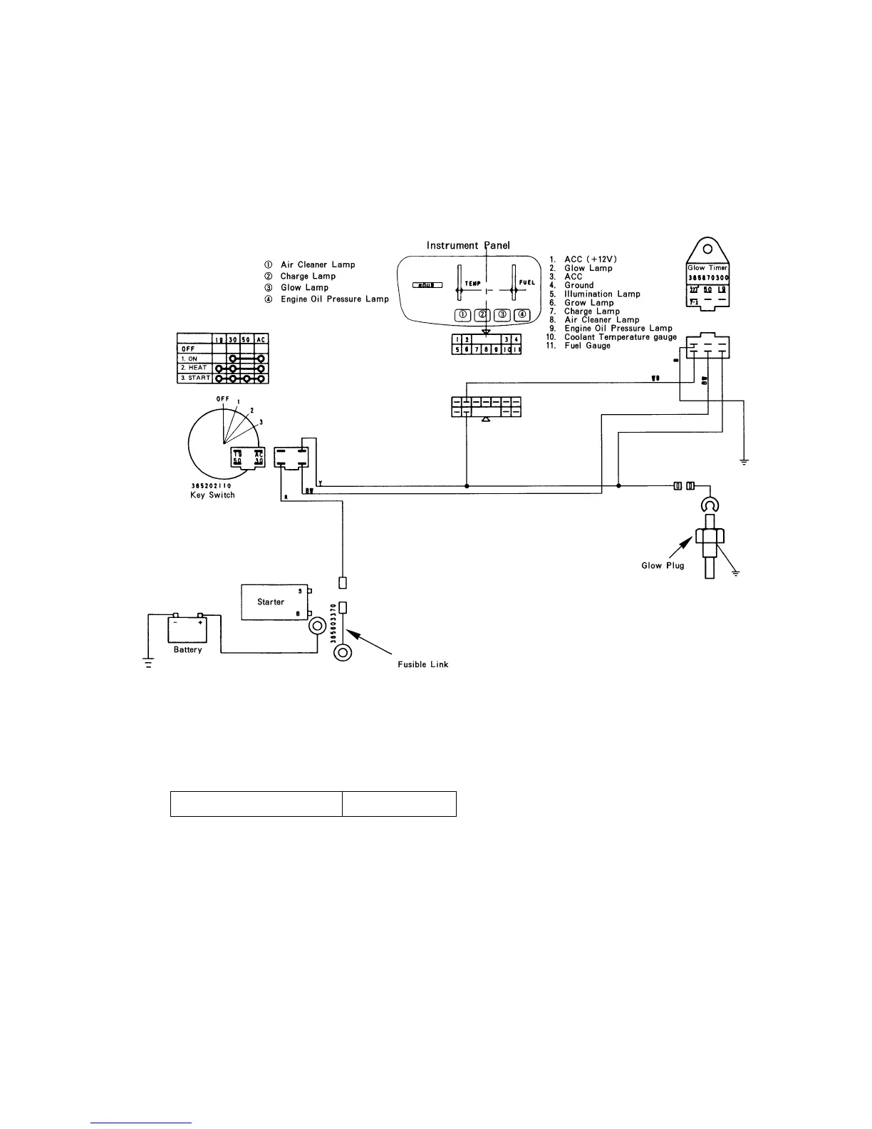
4. IQS SYSTEM
1) Summary
The IQS system comprises the indicator lamp and glow plug. When the key switch is at the HEAT or START position,
power is supplied to the glow plug to heat it quickly.
2) Circuit diagram
192V
3) Inspection of each part
(1) Glow plug Y701RS
Conduct a continuity test using a circuit tester. If no continuity is indicated, replace the plug.
Normal temp. resistance
Less than 0.8
NOTE: Do not give voltage over 10 V directly to the glow plug.

Table of Contents

Related product manuals