EasyManua.ls Logo

Shibaura CM214 - Differential Assembly

Shibaura CM214
124 pages
Print Icon
To Next Page IconTo Next Page
To Next Page IconTo Next Page
To Previous Page IconTo Previous Page
To Previous Page IconTo Previous Page
Loading...
78
4) Differential Assembly
(1) Disassembly
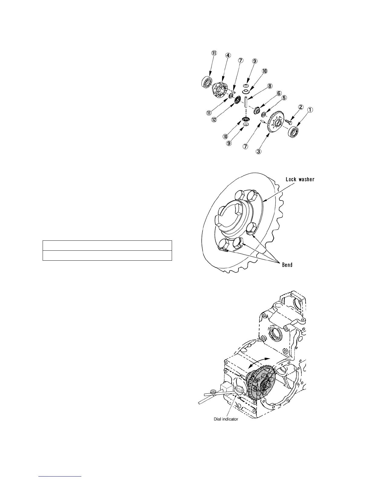
1. If installed, remove the bearings .
2. Remove the bolts , and separate the ring gear
from the differential housing .
3. Remove the thrust washer and differential gear
.
4. Remove the pin from in the differential housing
.
5. Draw out the pinion shaft and remove the
thrust washers , pinion gear , thrust washer
and differential gear from in the differential
housing ➃.
(2) Assembly
Reassembly generally follows the disassembly
procedure in reverse.
During assembly observe the followings:
1. Install the ring gear bolts with two lock washers
(No. 399310270), and tighten to specified torque.
NOTE: The lock washers are installed reassembly
only.
Ring gear tightening torque
25.5 ± 2.9 N·m {2.6 ± 0.3 kgf·m}
2. Bend the lock washers at the three positions of each
one.
3. If new differential components are used, adjust the
backlash and ring gear contact patterns as follows:
a. Install the drive pinion refer to
“TRANSMISSION AND FRONT AXLE
ASSEMBLY” in this section.
b. Using prussian blue on the pinion gear teeth.
c. Install the differential gear assembly and both
wheel shaft assemblies on the transmission
housing.
d. Place the dial indicator at a right angle to the
top of a ring gear tooth.
e. Rock the ring gear back and forth and observe
the dial indicator reading.
432V
433V
434V

Table of Contents

Related product manuals