EasyManua.ls Logo

Shibaura CM214 - Page 92

Shibaura CM214
124 pages
Print Icon
To Next Page IconTo Next Page
To Next Page IconTo Next Page
To Previous Page IconTo Previous Page
To Previous Page IconTo Previous Page
Loading...
91
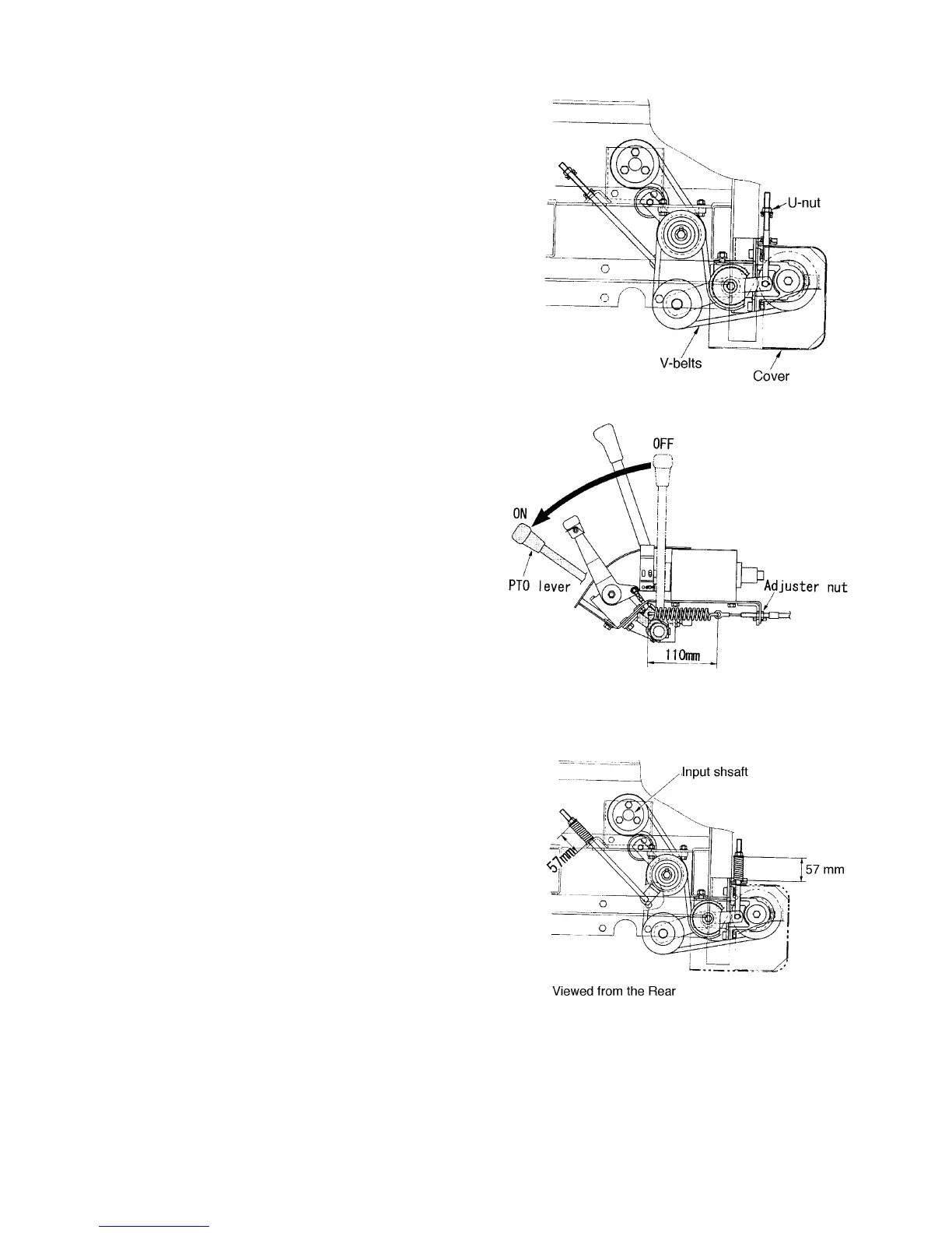
Remove the cover for the side PTO.
Untighten the U-nut for side PTO.
Remove the two V-belts for side PTO.
(3) Installation
Reassembly of the V-belts generally follows the
disassembly procedure in reverse order.
(4) Adjustment
Front PTO belt tension
Adjust the front PTO tension spring length by turn
the adjuster nut until the spring length to 110 mm at
the PTO lever “ENGAGED” position.
Side PTO belt tension
Adjust the side PTO two tension springs length by
turn the adjuster U-nuts until the spring length to 57
mm.
451V
452V
454V

Table of Contents

Related product manuals