EasyManua.ls Logo

Shibaura ST445 - Suction Pipe, Delivery Pipe Removal; Front Wheel Drive Shaft Removal; Front Axle Assembly and Front Axle Support Removal

Default Icon
212 pages
Print Icon
To Next Page IconTo Next Page
To Next Page IconTo Next Page
To Previous Page IconTo Previous Page
To Previous Page IconTo Previous Page
Loading...

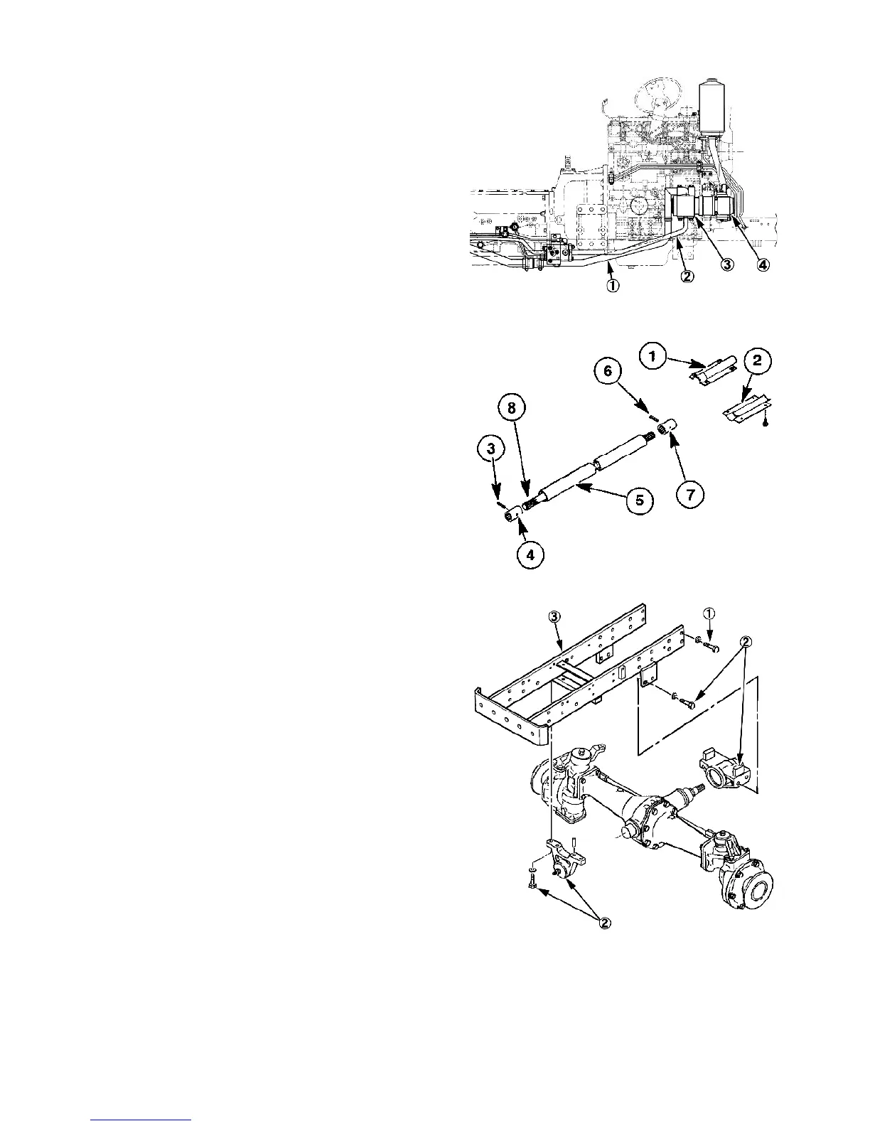
$>,=287929..52?.;B929.
 +>D978D5>D85 8?C521>4 1>4B5=?F5D85 CE3D9?>
@9@51>445<9F5BI@9@56B?=D85?9<@E=@
6>535CC1BIB5=?F5 D85?9<@E=@C1>46B?=
D855>79>5
;87=@1..5-;2?.<1*/=
(5=?F5D856?EB2?<DC1>43?F5BC1>4
B9F5?EDD85B?<<@9>6B?=D853?E@<9>7
)<945D85@9@5D?B51BG1B41>44B9F5?EDD85B?<<
@9>6B?=D856B?>D3?E@<9>7
 )<945 D85 3?E@<9>7C ?> D85 4B9F5 C816D  1>4
B5=?F5D854B9F5C816D1>4@9@5
;87=*A5.*<<.6+5B*7-;87=*A5.<>998;=
 %
 & %&+ %'##"$&  '!$ & '&
"'%!!$$*"'%!%"&&&'%&%'##"$&%
&&$&"$
 DD138 D85 ?F5B8514 8?9CD D? D85 5>79>5 <96D
2B13;5DC CE@@?BD D85 G5978D ?6 D85 5>79>5 1>4
6B?>D1H<51CC5=2<I
 &<135 D85 G??4 G5475C 25DG55> 6B?>D 1H<5 1>4
6B?>D1H<5CE@@?BD
(5=?F5D856B?>D1H<5CE@@?BDB5D19>9>72?<DC
1>4251B9>7 8?<45BB5D19>9>7 2?<DC
 5>DBI B?<< D85 6B?>D 1H<5 1>4 CE@@?BD 1CC5=2<I
1G1I6B?=D85DB13D?B
0
0
0

Table of Contents

Related product manuals