EasyManua.ls Logo

Shibaura ST445 - Trial Running; Battery Cable Installation

Default Icon
212 pages
Print Icon
To Next Page IconTo Next Page
To Next Page IconTo Next Page
To Previous Page IconTo Previous Page
To Previous Page IconTo Previous Page
Loading...

*==.;B,*+5.
9DD85@?C9D9F521DD5BI312<569BCDD85>D85>5HD
%##&
6D5B?F5B81E<5>79>59C9>>554DB91<BE>>9>71D69BCD1>4
B565BD?1C6?<<?GC
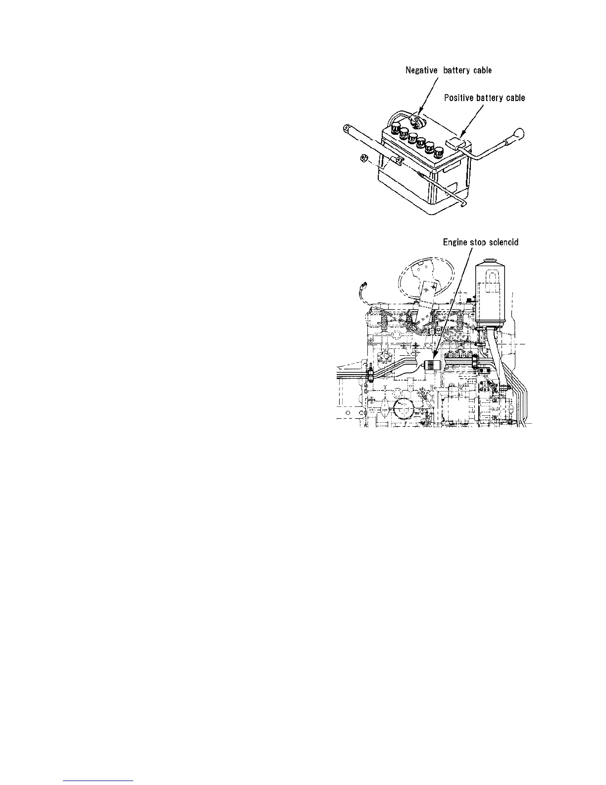
853;D85AE1>D9DI?6D853??<1>D5>79>5?9<1>46E5<
9C3?>>53DD85G9B9>781B>5CC3?>>53D?B1DD855>79>5
CD?@C?<5>?94
 #?F5 D85 81>4 D8B?DD<5 <5F5B D? D85 <?G D8B?DD<5
@?C9D9?>1>46??DD8B?DD<5D?D856B55@?C9D9?>
*EB>D85;5ICG9D38D?D85)D1BD@?C9D9?>B?D1D5D85
CD1BD9>7 =?D?B E>D9< 7? ?66 D85 ?9< @B5CCEB5 <1=@
12?ED C53?>4C
*EB>D85;5ICG9D38D?D85%66@?C9D9?>
 ?>>53D D85 G9B9>7 81B>5CC 3?>>53D?B 1D D85 5>79>5
CD?@C?<5>?94
 #?F5 D85 81>4 D8B?DD<5 <5F5B D? D85 81<6 D8B?DD<5
@?C9D9?>1>4CD1BDD855>79>5
4:ECDD85<?GC@5545>79>5BE>>9>71>4G1B=E@?>
1DD85C1=5D9=51C6?<<?GC
853;D8512>?B=1<C?E>4
853;D853??<1>DD5=@5B1DEB5
853;D85 5>79>5?9<D5=@5B1DEB5
853;D855>79>5?9<1>43??<1>D<51;9>7
853;D853?<?B9>7?65H81ECD71C
0
0

Table of Contents

Related product manuals