EasyManua.ls Logo

Shibaura ST445 - Valve Clearance Adjustment; Oil Pressure Switch Tightening Torque; Oil Pipe Data; Water Pump Assy, Bypass Hose Installation

Default Icon
212 pages
Print Icon
To Next Page IconTo Next Page
To Next Page IconTo Next Page
To Previous Page IconTo Previous Page
To Previous Page IconTo Previous Page
Loading...

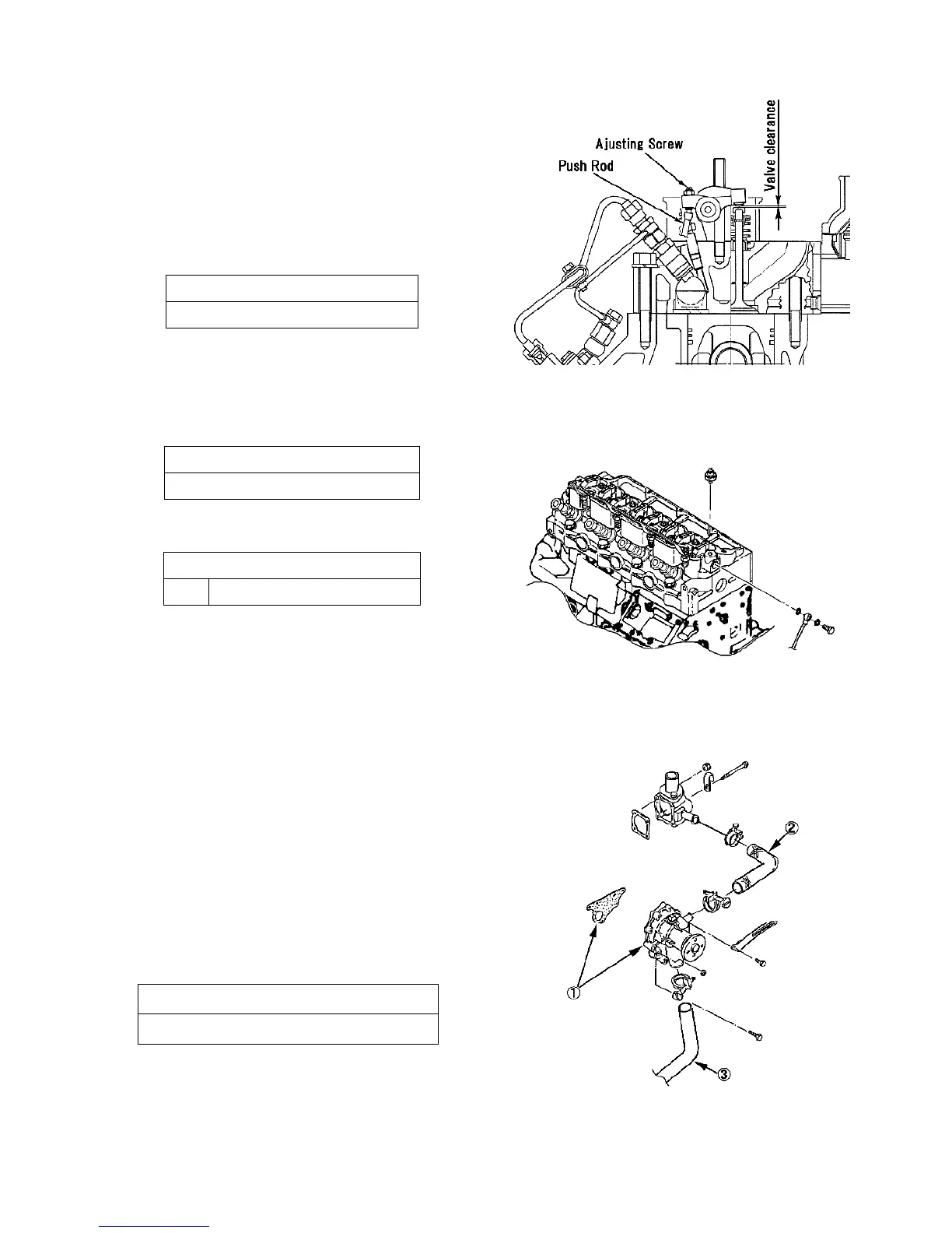
 (,7A0.70,=,9.0,/5@>?809?
'9?423?09?309@?:1?3049?,60,9/0C3,@>?A,7A0>,9/
,/5@>??30.70,=,9.0?: 88
!"&
 %0./ /# 1'1 ' -) 2#$' *'
  / /#  * 4'$) - / /# *(+- ..$*) 
%0./ /#  1'1  ' -)  *! /#  * $)/&
) 3#0./ 1'1 . ) %0./ /#  * *
)*4'$) -//# *(+- .. +*.$/$*)
:.69@??423?09492?:=<@0
 L  !J8F L 621J8G
 "47;=0>>@=0>B4?.3
"47;=0>>@=0>B4?.3?423?09492?:=<@0
 L !J8F L 621J8G
 "47;4;0
D0-:7??423?09492?:=<@0
 L !J8F L 621J8G
 ),?0=;@8;,>>MD J D;,>>3:>0
9>?,77,9/?423?09?302,>60?,9/B,?0=;@8;,>>KD
:990.? ?30 ?30=8:>?,? .,>0 ,9/ B,?0= ;@8; .,>0
B4?3-D;,>>3:>0
9>?,77?30=,/4,?:=3:>0
 :990.?:=7:B;7@2
7:B;7@2?423?09492?:=<@0
 L  !J8F L 621J8G
+
+
+

Table of Contents

Related product manuals