EasyManua.ls Logo

Shibaura ST445 - Alternator Disassembly

Default Icon
212 pages
Print Icon
To Next Page IconTo Next Page
To Next Page IconTo Next Page
To Previous Page IconTo Previous Page
To Previous Page IconTo Previous Page
Loading...

.+ ) 1/ 4-5;:6;:
3 A52 = ? 2 C6<B@ @20A6<; 052 0 8 6 @
@.A6@ 3. 0 A<? F05208A5 2< BA = BA.@3<99<D@
. 3 A2? <=2;6 ; 4A52/.AA2 ? F@ D6A05
16@0<;;20A A52 A2? :6;.9 < 3 A52
.9A2?;. A<? .;1 0<;;20A .; .::2A2?
 0.=.06AF .A A52 =<@6A6<; @5<D;
6;6 4 ,
/ <;;20A A52 C<9A :2A2? /2AD22 ; A52
A2?:6 ;.9 < 3 A 5 2 . 9 A2? ;.A<? . ;1 A 52
4?<B;1 <;36?: A 5.A A52 C< 9A :2A2?
6;160 . A2@A52/.AA 2? FC<9A.42
0 9 < @2 A5282F@D6A05
1 &A.?A A52 2 ; 46 ;2 .;1 AB?; < ; . 99 A52
9.:= @ ::216.A29F . 0 0 2 92?.A2 A52
2;46 ;2 A< ? = : # ? :<?2 .;1
:2.@B? 2 A52 :.E 6:B: C.9B2 6;1 6 0 .A21
<;A52 . : :2A2?
2 3 A56@ C.9 B2 6@ :<?2 A5.; < 3 A52
;<:6 ;.9 <BA = B A ?232? A< &2 0 A 6<; < ;
&2?C6 0 2 &=2063 60.A 6 < ;@ I A52
.9A2?;. A<? 0.; / 2 0 < ;@612?21 .@
D<?86 ;4 .9 :<@A .A6@ 3. 0 A < ? F
#
" & "( ' ! & " $
'$& $ "( & &$!&"$ $" &
!! ! &" ! &%&!
/9 ' 99+ 3(2?
. ! .?8 /<A5/?.082A @ . ;1 A 52 @A.A<?D6A5
. @0?6/2 :.?83<?.@@ 2 :/ 9F
/ %2 :<C2 A52 3< B? A5?<B45 /<9A @ $? F
/2AD2 2 ; A 52 @A.A < ? .; 1 3? < ;A / ?.082 A
D6A 5 / 9.1 2< 3. @0?2 D1?6C2?
.?23B 9 9 F @2=.?.A2 A52 3?<;A /?.082A
=B992 F .;1 ?<A<? .@@2:/ 9F . D. F
3?<: A52 @A.A< ? .;1 ? 2 . ? / ?.082A
.@@2:/ 9 F
0 $ 9 . 0 2 A 5 2 ? < A < ? 6; . C602 D6A5 @<3A
7.D@ .;1 ? 2 :< C2 A 52 =B992 F ;BA
D.@ 52? =B992F @=.02? . ;1 3?<;A
/?.082 A 3?<:A52 ? < A < ?
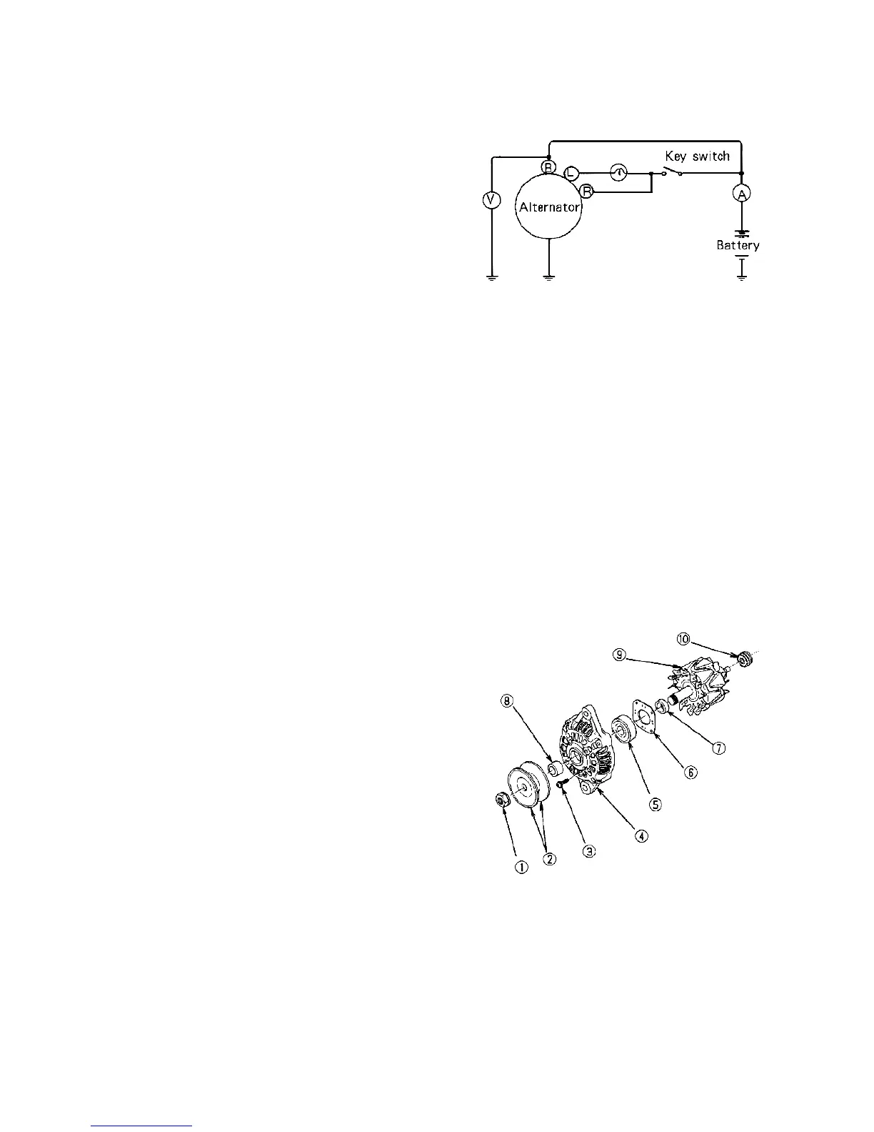
,
,
$B992F ; BA
$B992F
&0?2D
?<;A / ? .082A
2.?6;4
2.?6;4 5<912?
<99.?
$B992F @=.02?
%<A<?
2.?6;4

Table of Contents

Related product manuals