EasyManua.ls Logo

Shibaura ST445 - Cultivating Implement Installing Device; Three-Point Link

Default Icon
212 pages
Print Icon
To Next Page IconTo Next Page
To Next Page IconTo Next Page
To Previous Page IconTo Previous Page
To Previous Page IconTo Previous Page
Loading...

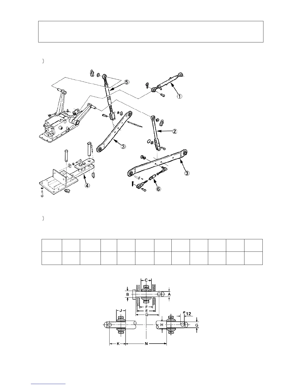
#/'1(/#,142#4651(6*4''21+06.+0-
,
6#0&#4&5(146*4''21+06.+0-
'63 6G2@/C:71 B6@33>=7<B :7<9 7A =4 B63 BG>3 7< 1=<4=@;7BG E7B6 B63 7<B3@< /B7=</: AB/<2/@2 1/B35=@G <G
7;>:3;3<BAE7B6;=C<B7<5>/@B7<1=<4=@;7BGE7B6B67AAB/<2/@2;/G03;=C<B32
,
7.6+8#6+0)/2.'/'06056#..+0)'8+%'
'G>3
!/F
!7<
!/F
!7<
!7<
"
/B35=@G
'G>3
=@
'=> 7<9
74B%=2
=E3@ 7<9
7F327B16
28CAB/0:3 74B%=2
&B/07:7H3@

Table of Contents

Related product manuals