EasyManua.ls Logo

Shibaura ST445 - Page 172

Default Icon
212 pages
Print Icon
To Next Page IconTo Next Page
To Next Page IconTo Next Page
To Previous Page IconTo Previous Page
To Previous Page IconTo Previous Page
Loading...

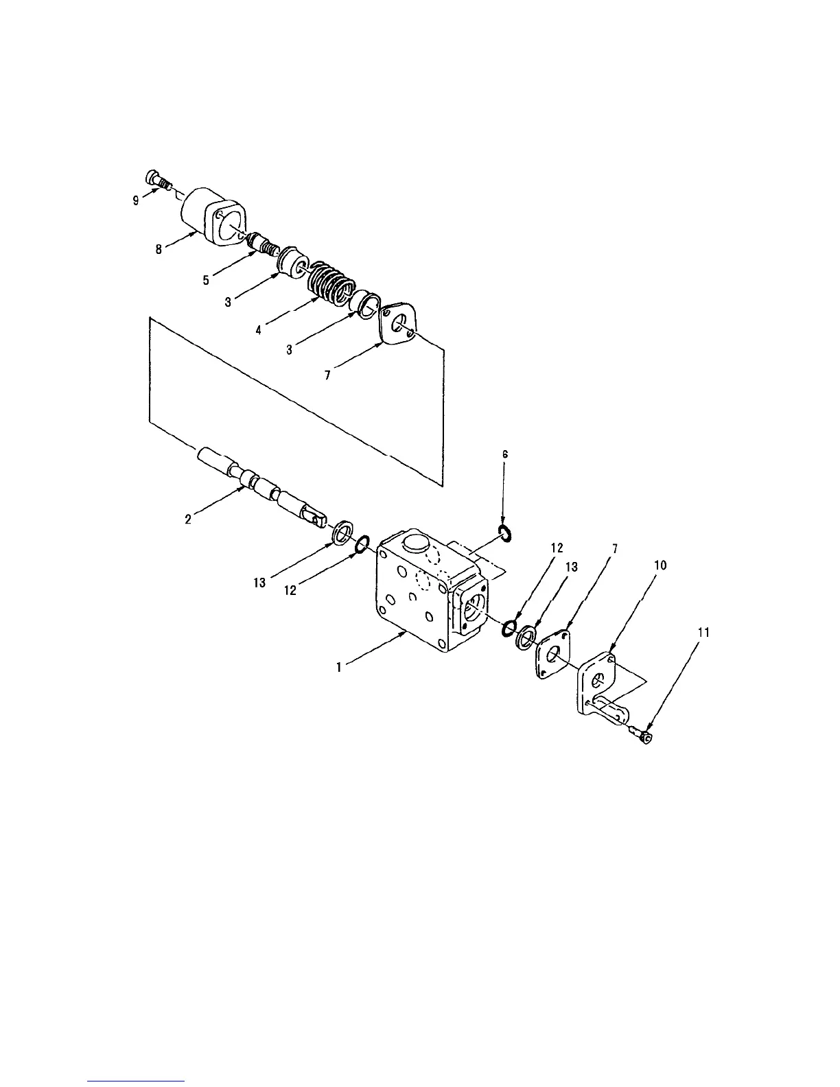
8>+5. *,=270,87=;85?*5?.
)
 '*5?.+8-B
 $9885
 $9;270<.*=
 $9;270
 85=
 !;270
 $.*595*=.
*9
85=
;*,4.=
85=
!;270
(29.;;270

Table of Contents

Related product manuals