EasyManua.ls Logo

Siemens 941 - Wiring Diagrams; Application 941 Wiring

Siemens 941
7 pages
Print Icon
To Next Page IconTo Next Page
To Next Page IconTo Next Page
To Previous Page IconTo Previous Page
To Previous Page IconTo Previous Page
Loading...
Document No. 546-00085
Installation Instructions
December 8, 2011
Page 4 of 7 Siemens Industry, Inc.
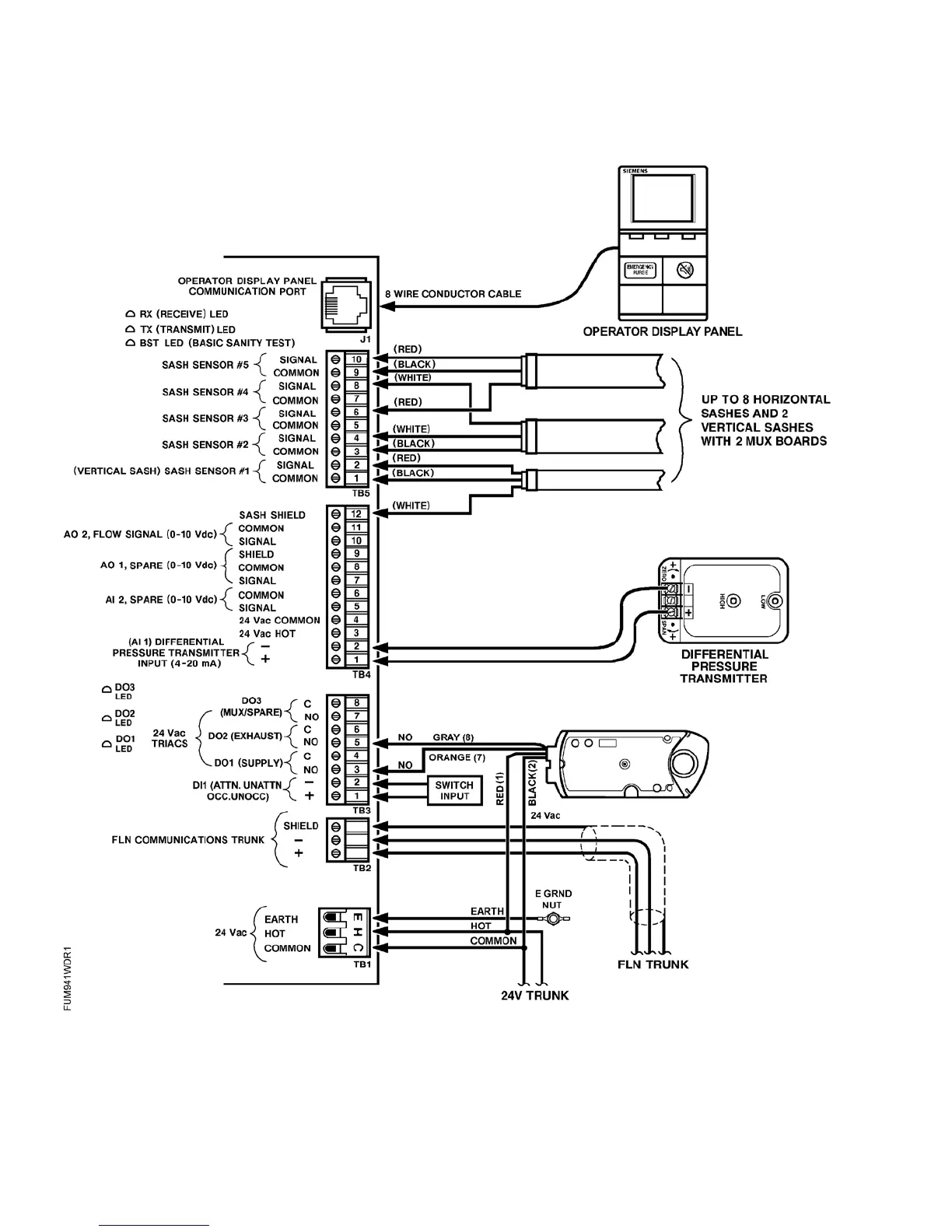
Figure 7. Fume Hood Controller with Damper Wiring (Application 941).

Related product manuals