EasyManua.ls Logo

Siemens FDA221

Siemens FDA221
114 pages
To Next Page IconTo Next Page
To Next Page IconTo Next Page
To Previous Page IconTo Previous Page
To Previous Page IconTo Previous Page
Loading...
Structure and function
3
Overview
19
Building Technologies A6V10334410_h_en_--
Fire Safety 2015-09-29
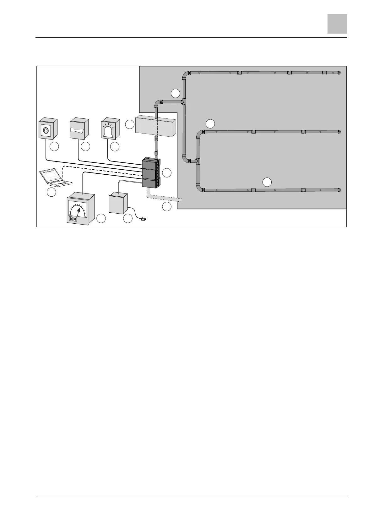
Alternatively, various external devices can be connected to the aspirating smoke
detector in standalone operation [➙ 37]:
1
7
2
3
4
4
5
6
4
8
9
10
Aspirating smoke detector in standalone operation
1 Aspirating smoke detector 6
PC with 'FXS2051 ASD Configuration
Tool' software
2 External power unit with battery 7
External control/indicator (optional)
3 Blowing-out unit (optional)
8
External button (optional)
4 Pipe system
9
External acoustic signal equipment
(optional)
5 Return line (optional)
10
External optical signal equipment
(optional)

Table of Contents

Other manuals for Siemens FDA221

Related product manuals