EasyManua.ls Logo

Siemens Simatic S7-1500 - Properties; Properties of the CPU Part

Siemens Simatic S7-1500
83 pages
To Next Page IconTo Next Page
To Next Page IconTo Next Page
To Previous Page IconTo Previous Page
To Previous Page IconTo Previous Page
Loading...
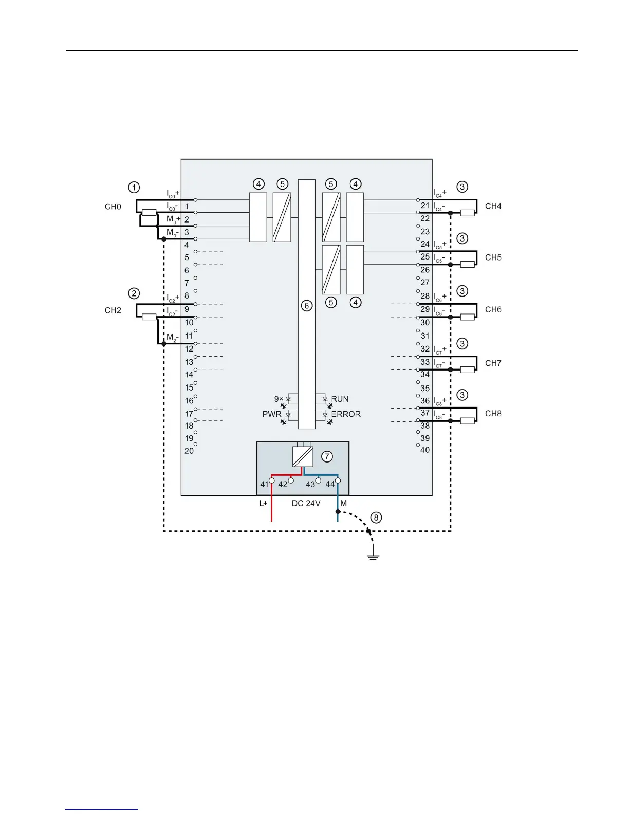
Wiring
Analog Input Module AI 8xU/R/RTD/TC HF (6ES7531-7PF00-0AB0)
Manual, 09/2016, A5E36647959-AB
21
Connection: 2, 3 and 4-wire connection of resistance-type transmitters or resistance thermometers
(RTD)
The example in the following figure shows the pin assignment for 2, 3 and 4-wire
connections of resistance-type transmitters or resistance thermometers.
4-wire connection CHx Channel or 9 x channel status
(green/red)
3-wire connection
RUN
Status display LED (green)
2-wire connection
ERROR
Error display LED (red)
Analog-to-Digital Converter (ADC)
PWR
LED for power supply (green)
Electrical isolation
Backplane bus interface
Supply voltage via power supply element
Equipotential bonding cable (optional)
Figure 3-3 Block diagram and terminal assignment for 2, 3, and 4-wire connection

Other manuals for Siemens Simatic S7-1500

Related product manuals