EasyManua.ls Logo

Siemens Simovert Masterdrives Compact Plus Series - Page 189

Siemens Simovert Masterdrives Compact Plus Series
Print Icon
To Next Page IconTo Next Page
To Next Page IconTo Next Page
To Previous Page IconTo Previous Page
To Previous Page IconTo Previous Page
Loading...
Connecting-up 06.2006
6SE7087-6KP50 Siemens AG
7-10 Operating Instructions SIMOVERT MASTERDRIVES
DC
24 V
-X9
21
33
-X100
34
Control
electronics
U1 V1 W1
-F1
PELV power
supply
33
-X100
34
Control
electronics
Rectifier unit
Inverter 1.1
Inverter 1.2
33
-X100
34
Control
electronics
-K1
3AC
380 - 480 V
33
-X100
34
Control
electronics
Inverter 1.3
33
-X100
34
Control
electronics
Inverter 2.1
-F2
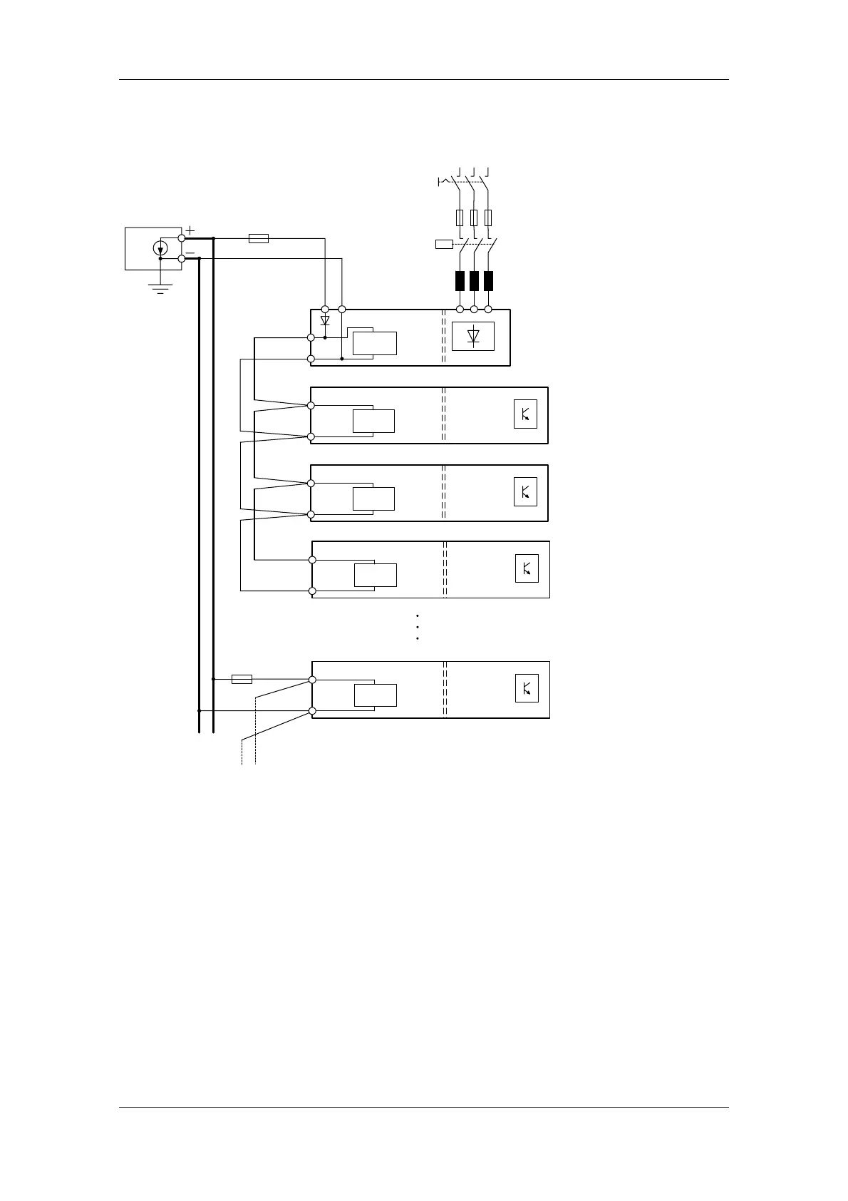
Fig. 7-4 Sectional drive with rectifier unit and inverters

Table of Contents

Related product manuals