EasyManua.ls Logo

Siemens Simovert Masterdrives Compact Plus Series - Page 190

Siemens Simovert Masterdrives Compact Plus Series
Print Icon
To Next Page IconTo Next Page
To Next Page IconTo Next Page
To Previous Page IconTo Previous Page
To Previous Page IconTo Previous Page
Loading...
06.2006 Connecting-up
Siemens AG 6SE7087-6KP50
SIMOVERT MASTERDRIVES Operating Instructions 7-11
Two-way
digital inputs
and outputs
X101
5V
24V
In
Out
Out
In
Out/In
In
Out
In
Out
In
Out
In
Out
In
4 two-waydigital inputs/outputs
Outputs
Analog input
Aux. powr
supply
Analog output
5V
24V
In
Inputs
5V
24V
2
1
3
4
5
6
7
8
9
10
11
12
Micro-
controller
D
A
D
A
Serial USS
interface (RS485)
RxD
EN_RS485
+5V
33
34
35
36
+
24V
-
TxD
P5V
RS485P
RS232 Id
RS485P
BOOT
RS232 TxD
RS485N
EN_RS232
1
External 24 V
supply
S1
X103
X100
Switch for
USS bus connection
Digital inputs
123456789
BOOT
RS232 Id
RS232 RxD
RS485N
Slot A
Slot B
Slot C
Controller
PE
RS485N
RS485P
36 V
P24
P24
OFF
ON
M24
GND
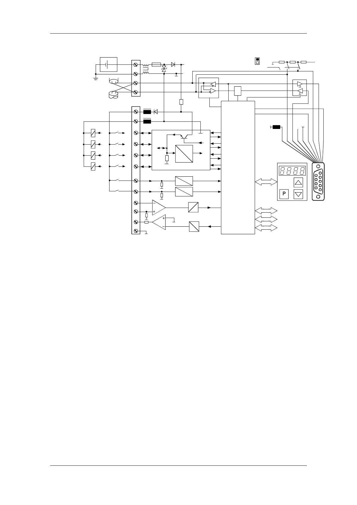
Fig. 7-5 Overview of the standard connections

Table of Contents

Related product manuals