EasyManua.ls Logo

Siemens Simovert Masterdrives Compact Plus Series - Page 78

Siemens Simovert Masterdrives Compact Plus Series
Print Icon
To Next Page IconTo Next Page
To Next Page IconTo Next Page
To Previous Page IconTo Previous Page
To Previous Page IconTo Previous Page
Loading...
06.2006 Parametrierung
Siemens AG 6SE7087-6KP50
SIMOVERT MASTERDRIVES Betriebsanleitung 8-29
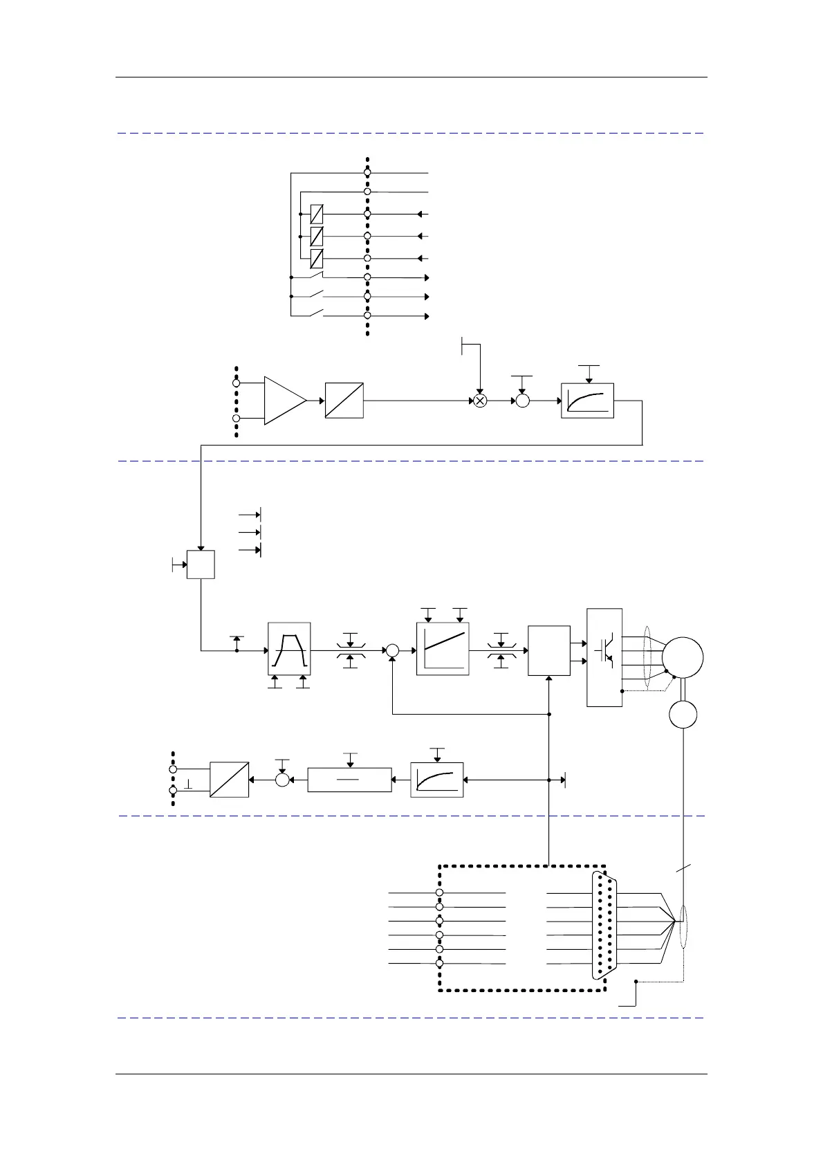
Daten des anzuschließenden Resolvers:
- 2-polig
Anz. Drehz.kon.
r041.1
(= Drehzahl-
sollwert)
Hochlauf-
zeit P462.1
Rücklauf-
zeit P464.1
n(max, pos.DR)
P452.1
n(max, neg.DR)
P453.1
n-Reg. Kp1
P235.1
n-Reg. Tn
P240.1
FSW
M(grenz,1)
P263.1
FSW
M(grenz,2)
P264.1
Strom-
regelung
Motor-
geber
Motor
3~
AA Glättung
P642.1
AA Skalierung
P643.1
AA Offset
P644.1
A
D
+/- 10 V
-X101/11
y[V]= P643.1
x
100 %
Analogausgang
xy
-X101/12
AA
Anz. Drehz.kon.
r041.2
(=Drehzahlistwert )
SBR1/2
-X414/3
6
Schirmauflage
Geberart:
Resolver
-X414/4
-X414/6
-X414/7
-X414/9
sin +
sin -
cos+
cos-
Erregung
M
Erregung
-X414/11
Regelungsart:
Drehzahl-
regelung
r003 Ausgangsspannung
r004 Ausgangsstrom
r006 Zwischenkreisspg
Bezugs-
drehzahl
P353
Norm.
P24
M24
1 = Betrieb
0 = Störung
1-Flanke = Quittieren
1 = Ein 0 = Aus1
-X101/1
1 = WR-Freigabe
-X101/2
-X101/3
-X101/4
-X101/6
-X101/7
-X101/8
Sollwert- und Befehlsquelle:
Klemmleiste und
Analogeingang
0 = Warnung
-X101/5
AE Skalierung
P630
Differenzeingang
-X101/9
AE Offset
P631
AE Glättung
P634
+/- 10 V
A
D
-10 V ... + 10V
entspr.
-100 % ... +100 %
-X101/10
AI+
AI-
-X410/95
-X410/93
-X410/94
-X410/91
-X410/92
-X410/90 Spur A+
Spur A-
Spur B+
Spur B-
Nullimpuls +
Nullimpuls -
Impulsgebernachbildung
(nur bei SBR2)
Daten der Impulsgebernachbildung:
- 1024 Impulse/Umdrehung

Table of Contents

Related product manuals