EasyManua.ls Logo

Siemens SIPART DR24 - Page 131

Siemens SIPART DR24
276 pages
Print Icon
To Next Page IconTo Next Page
To Next Page IconTo Next Page
To Previous Page IconTo Previous Page
To Previous Page IconTo Previous Page
Loading...
Manual
2 Installation
2.2 Electrical Connection
2.2.5 Wiring of the Interface
SIP ART DR24 6DR2410
C79000-G7476-C153-03
129
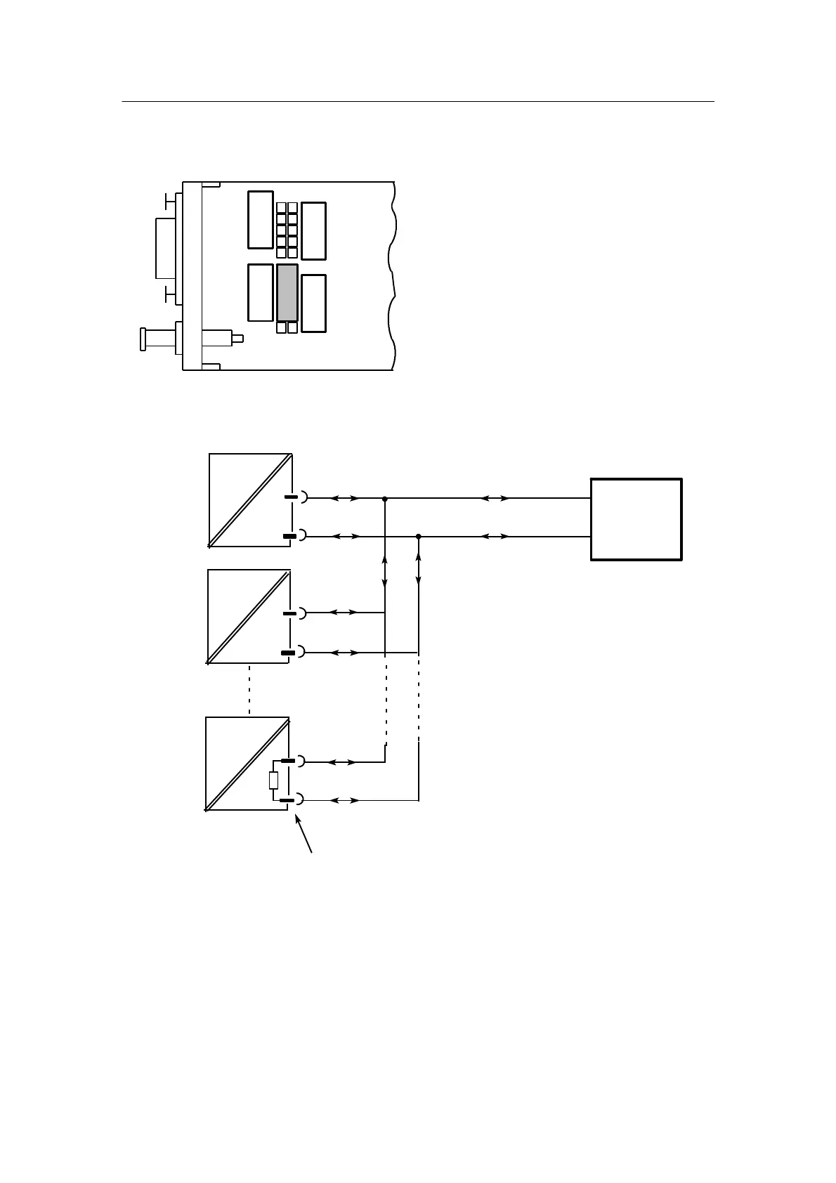
- RS 485 bus
Canbeinsertedinslot4
RS 232
END/END
SIPART
BUS
RS 485
RS 485
+150 R
Figure 2-40 Jumper settings SES module 6DR2803-8C at RS 485 bus
instrument 32
RS 485 bus 1000 m
SES
Remote system
instrument 1
instrument 2
to
Rxd/Txd-B
Rxd/Txd-A
9--pin bus plug for round cable C73451-A347-D39
8 Rxd/Txd-A
Note line termination:
The RS 485 bus must be terminated with its characte-
ristic impedance. To do this, the terminating resistor
in the last bus user is switched by plugging the co-
ding bridge appropriately .
8 Rxd/Txd-A
8 Rxd/Txd-A
3 Rxd/Txd-B
3 Rxd/Txd-B
3 Rxd/Txd-B
SES
SES
Jumper setting RS 485
Jumper setting RS 485 + 150R
Figure 2-41 Wiring of RS 485 bus

Table of Contents

Other manuals for Siemens SIPART DR24

Related product manuals